PREDATOR 90 - A05KA09CA
AIR CLEANER - A05KA09CA/CB (4983138313A07)
BUMPER - A05KA09CA/CB (4991329132B02)
CAB/SEAT - A05KA09CA/CB (4995259525B05)
CARBURETOR - A05KA09CA/CB (4999202309920230A08)
CHAIN - A05KA09CA/CB (4999202399920239C01)
CRANKCASE - A05KA09CA/CB (4995259525A10)
CRANKSHAFT - A05KA09CA/CB (4999202399920239A04)
CYLINDER HEAD - A05KA09CA/CB (4999202399920239A03)
DECALS - A05KA09CA/CB (4995259525C05)
DRIVE PULLEY - A05KA09CA/CB (4999202399920239A13)
DRIVE SHAFT - A05KA09CA/CB (4995259525A13)
ELECTRICAL PARTS - A05KA09CA/CB (4999202309920230C05)
ENGINE BRACKET - A05KA09CA/CB (4999202399920239B01)
EXHAUST PIPE - A05KA09CA/CB (4999202309920230A09)
FAN COVER - A05KA09CA/CB (4999202309920230A05)
FRAME BODY - A05KA09CA/CB (4999202399920239B03)
FRONT BRAKE - A05KA09CA/CB (4999202399920239B11)
FRONT WHEEL - A05KA09CA/CB (4995259525B08)
GENERATOR/STARTING MOTOR - A05KA09CA/CB (4999202399920239C04)
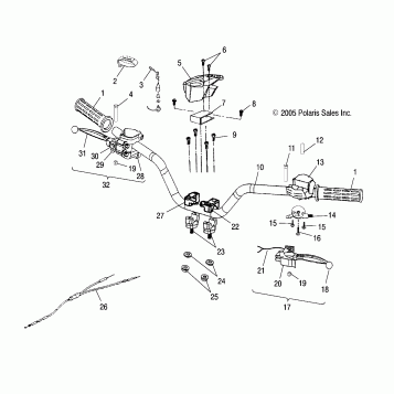
HANDLEBAR - A05KA09CA/CB (4999202399920239B13)
HEADLIGHT/BRAKELIGHT - A05KA09CA/CB (4991329132C01)
OIL PUMP ASSEMBLY - A05KA09CA/CB (4999202399920239A06)
OIL TANK/FUEL TANK - A05KA09CA/CB (4999202399920239B07)
REAR BRAKE - A05KA09CA/CB (4999202309920230B12)
REAR WHEEL - A05KA09CA/CB (4999202359920235B08)
REAR WHEEL AXLE - A05KA09CA/CB (4995259525B13)
STARTER - A05KA09CA/CB (4999202309920230A12)
STEERING - A05KA09CA/CB (4999202359920235B14)
SUSPENSION - A05KA09CA/CB (4999202399920239B08)
SWING ARM/FOOTREST - A05KA09CA/CB (4995259525B04)
TRANSMISSION LEVER - A05KA09CA/CB (4999202399920239B02)
Fuel Your Passion
Parts That Keep You Riding
Edit ride