CT90K4A MOTORCYCLE, JPN, VIN# CT90-1400001
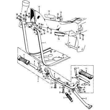
FRAME
AIR CLEANER K2-K4
CRANKCASE + OIL PUMP
CAMSHAFT + VALVE
CLUTCH
CRANKSHAFT + PISTON
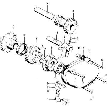
GEARSHIFT
SUB-TRANSMISSION
TRANSMISSION
HANDLEBAR
MUFFLER
REAR SHOCK ABSORBER
FRONT FORK
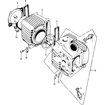
CYLINDER + CYLINDER HEAD
HEADLIGHT + SPEEDOMETER
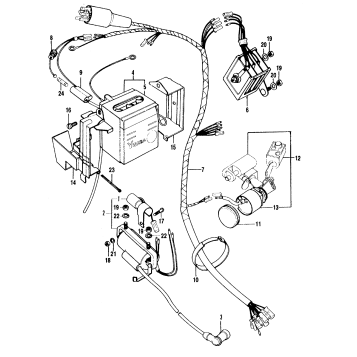
WIRE HARNESS + BATTERY
LEFT CRANKCASE COVER + ALTERNATOR
TAILLIGHT K4
MAIN STAND
REAR WHEEL + REAR BRAKE
CAM CHAIN + CHAIN TENSIONER
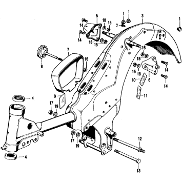
STEERING STEM + FRONT FENDER + HORN
CYLINDER HEAD COVER + POINTBASE
FRONT WHEEL + FRONT BRAKE
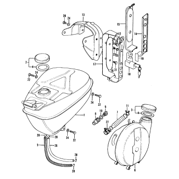
FUEL TANK + SUB TANK
KICK STARTER + CHANGE PEDAL
MAIN PIPE COVER + CRANKCASEPROTECTOR + STEP BAR
RIGHT CRANKCASE COVER + CLUTCH LIFTER
SEAT + CARRIER
SWINGARM + CHAIN CASE + PILLION STEP
SWITCHES + CABLES + MIRRORS
CARBURETOR K2-K4
TOOL SET K4
Fuel Your Passion
Parts That Keep You Riding
Edit ride