CR250MA MOTORCYCLE, JPN, VIN# CR250M-1000216 TO CR250M-1025537
AIR CLEANER + SIDE COVER M
ALTERNATOR
CLUTCH
TOOLS
TRANSMISSION
FRONT WHEEL
REAR WHEEL
CYLINDER + CYLINDER HEAD
FUEL TANK + SEAT
GEARSHIFT DRUM
GASKET SET
RIGHT CRANKCASE COVER + KICK STARTER
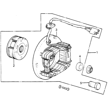
LEFT CRANKCASE COVER + ALTERNATOR
STEERING STEM + FRONT FENDER
HANDLEBAR + TOP BRIDGE
PISTON + CRANKSHAFT
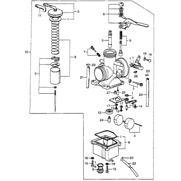
CARBURETOR COMPONENTS
HANDLE GRIP + CABLE
KICK STARTER ARM + BRAKE PEDALS
PISTON + CYLINDER + SPROCKET
REAR WHEEL PANEL
CARBURETOR M
CRANKCASE M
FRAME WIRE HARNESS M
FRONT FORK M
MUFFLER M
REAR SHOCK ABSORBER M
SWINGARM + REAR FENDER M
Fuel Your Passion
Parts That Keep You Riding
Edit ride