- Partiron
- OEM Parts
- Honda
- MOTORCYCLE
- Models With No Year
- CR250MA MOTORCYCLE, JPN, VIN# CR250M-1000216 TO CR250M-1025537
CARBURETOR M
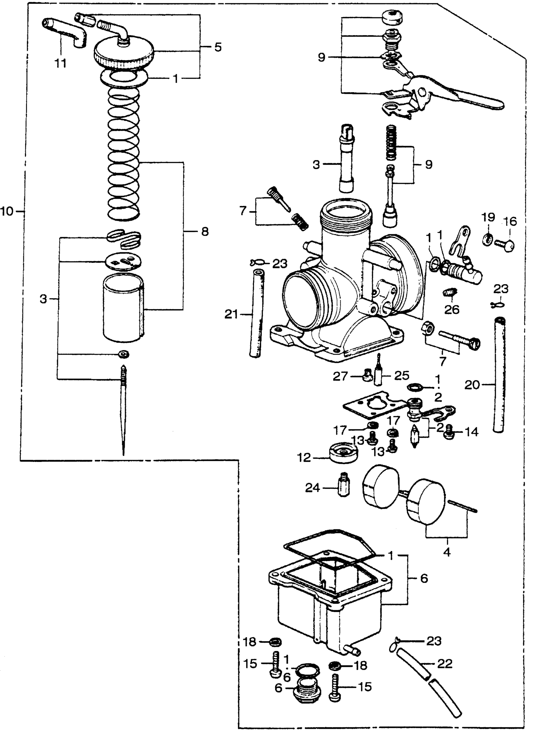
Honda CR250MA MOTORCYCLE, JPN, VIN# CR250M-1000216 TO CR250M-1025537 CARBURETOR M Diagram
#
1
GASKET SET | Use from Engine SN 009 A This part replaces 16010-357-014.
16010-395-305
Unavailable
1
GASKET SET | Use from Engine SN 009 A
16010-395-305
Unavailable
2
VALVE SET, FLOAT | Use from Engine SN 009 A
16011-356-004
Unavailable
2
VALVE SET, FLOAT | Use from Engine SN 679 A to 679 B
16011-357-004
Unavailable
3
NEEDLE SET, JET | Use from Engine SN 679 A to 679 B
16012-357-014
Unavailable
3
NEEDLE SET, JET | Use from Engine SN 009 A This part replaces 16012-357-024.
16012-357-034
Unavailable
4
FLOAT SET | Use from Engine SN 679 A to 679 B
16013-357-004
Unavailable
4
FLOAT SET | Use from Engine SN 009 A
16013-360-004
Unavailable
5
TOP SET | Use from Engine SN 679 A to 679 B
16014-357-004
Unavailable
5
TOP SET (NOT AVAILABLE) | Use from Engine SN 009 A
16014-357-014
Unavailable
6
CHAMBER SET, FLOAT (NOT AVAILABLE) | Use from Engine SN 679 A to 679 B
16015-357-004
Unavailable
6
CHAMBER SET, FLOAT (NOT AVAILABLE) | Use from Engine SN 009 A
16015-357-014
Unavailable
7
SCREW SET | Use from Engine SN 679 A to 679 B
16016-357-004
Unavailable
7
SCREW SET (NOT AVAILABLE) | Use from Engine SN 009 A This part replaces 16016-360-004.
16016-400-004
Unavailable
7
SCREW SET (NOT AVAILABLE) | Use from Engine SN 009 A
16016-400-004
Unavailable
8
VALVE SET, THROTTLE (#2.0) (NOT AVAILABLE) | (Optional). Use from Engine SN 679 A to 679 B
16022-357-315
Unavailable
8
VALVE SET, THROTTLE (#2.0) (NOT AVAILABLE) | (Optional). Use from Engine SN 009 A
16022-357-325
Unavailable
8
VALVE SET, THROTTLE (#3.0) (NOT AVAILABLE) | (Optional). Use from Engine SN 679 A to 679 B
16022-357-415
Unavailable
8
VALVE SET, THROTTLE (#3.0) (NOT AVAILABLE) | (Optional). Use from Engine SN 009 A
16022-357-425
Unavailable
8
VALVE SET, THROTTLE (#2.5) (NOT AVAILABLE) | Use from Engine SN 679 A to 679 B
16022-357-811
Unavailable
8
VALVE SET, THROTTLE (#2.5) (NOT AVAILABLE) | Use from Engine SN 009 A
16022-357-812
Unavailable
9
VALVE SET, STARTER (NOT AVAILABLE) | Use from Engine SN 679 A to 679 B
16046-357-004
Unavailable
9
VALVE SET, STARTER | Use from Engine SN 009 A
16046-361-670
Unavailable
10
CARBURETOR ASSY. (34MM) (NOT AVAILABLE)
16100-357-004
Unavailable
11
CAP, RUBBER (NOT AVAILABLE)
16118-357-004
Unavailable
12
HOLDER, JET (NOT AVAILABLE) | Use from Engine SN 679 A to 679 B
16168-357-004
Unavailable
12
HOLDER, JET (NOT AVAILABLE) | Use from Engine SN 009 A This part replaces 16168-357-014.
16168-395-004
Unavailable
12
HOLDER, JET (NOT AVAILABLE) | Use from Engine SN 009 A
16168-395-004
Unavailable
25
JET, SLOW (#50) | (Optional).
99103-357-0500
Unavailable
25
JET, SLOW (#55) (NOT AVAILABLE)
99103-357-0550
Unavailable
25
JET, SLOW (#60) (NOT AVAILABLE) | (Optional).
99103-357-0600
Unavailable
26
JET, AIR (#160) (NOT AVAILABLE) | (Optional).
99105-357-1600
Unavailable
26
JET, AIR (#180) (NOT AVAILABLE) | (Optional).
99105-357-1800
Unavailable
26
JET, AIR (#200)
99105-357-2000
Unavailable
26
JET, AIR (#220) (NOT AVAILABLE) | (Optional).
99105-357-2200
Unavailable
26
JET, AIR (#240) (NOT AVAILABLE) | (Optional).
99105-357-2400
Unavailable
27
JET, STARTER (#120) (NOT AVAILABLE) | Use from Engine SN 679 A to 679 B
99114-357-1200
Unavailable
27
JET, PRIMARY AIR (#120) (NOT AVAILABLE) | Use from Engine SN 009 A
99164-601-1200
Unavailable
