CL70K3A MOTORCYCLE, JPN, VIN# CL70-1300001
FRAME
CAM CHAIN TENSIONER
CARBURETOR
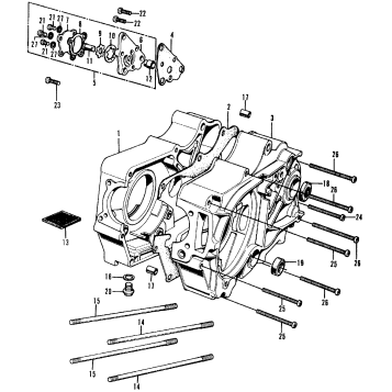
CRANKCASE + OIL PUMP
CAMSHAFT + VALVE
CLUTCH
FUEL TANK
GEARSHIFT
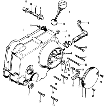
RIGHT CRANKCASE COVER
TRANSMISSION
TOOL SET
CRANKSHAFT
FRONT WHEEL
MUFFLER
REAR WHEEL
FRONT FORK
TURN SIGNAL
CYLINDER + CYLINDER HEAD
KICK STARTER
SWINGARM + CHAIN CASE
WIRE HARNESS + BATTERY
MAIN STAND + STEP BAR
LEFT CRANKCASE COVER + ALTERNATOR
STEERING STEM + FRONT FENDER
CARBURETOR COMPONENT SETS
CYLINDER HEAD COVER + INLETPIPE
HANDLEBAR + CABLES
SEAT + AIR CLEANER
TURN SIGNAL + LIGHTING SWITCH
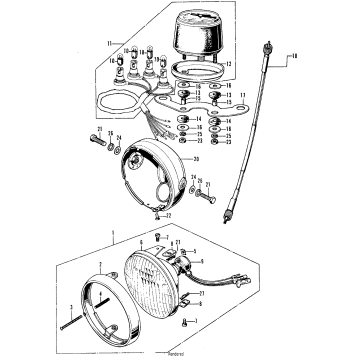
HEADLIGHT + SPEEDOMETER K1-K3
REAR SHOCK ABSORBER K1-K3
TAILLIGHT + REAR FENDER K3
Fuel Your Passion
Parts That Keep You Riding
Edit ride