CL175A MOTORCYCLE, JPN, VIN# CL175-1000001
ALTERNATOR + STARTER MOTOR
CAMSHAFT + VALVE
CRANKSHAFT
CYLINDER + CYLINDER HEAD
CLUTCH ADJUSTER + LEFT CRANKCASE COVER
LOWER CRANKCASE + KICK STARTER
POINTS + SPARK ADVANCER
UPPER CRANKCASE + SHIFT DRUM
CLUTCH + OIL PUMP
DRAIN VALVE
GASKET SET A
GASKET SET B
RIGHT CRANKCASE COVER + OILFILTER
CL175 AIR CLEANER + TOOL
CL175 FRAME
CL175 FRONT FORK
CL175 FRONT WHEEL
CL175 FUEL TANK + SEAT
CL175 HANDLEBAR
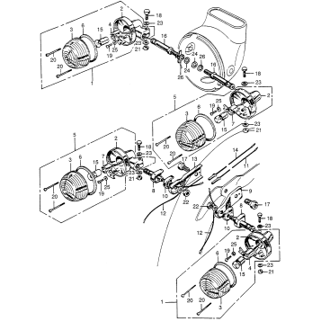
CL175 HEADLIGHT + TAILLIGHT
CL175 LEFT CARBURETOR
CL175 MUFFLER + PILLION STEP
CL175 REAR SHOCK ABSORBER
CL175 REAR WHEEL
CL175 RIGHT CARBURETOR
CL175 STAND + STEP
CL175 STEERING STEM + FRONT FENDER
CL175 SWINGARM + REAR FENDER
CL175 SWITCH
CL175 TRANSMISSION
CL175 TURN SIGNAL
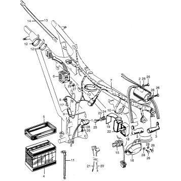
CL175 WIRE HARNESS + BATTERY
Fuel Your Passion
Parts That Keep You Riding
Edit ride