Mach 1, 1998
01- Cooling System
01- Crankcase, Reed Valve, Water Pump (699)
01- Crankshaft And Pistons (699)
01- Cylinder, Exhaust Manifold (699)
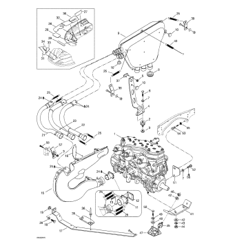
01- Engine Support And Muffler
02- Carburetors
02- Fuel System
02- Oil Tank
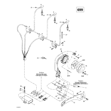
03- Ignition Housing Oil Pump (699)
03- Magneto 12V 290W (699)
04- Rewind Starter (699)
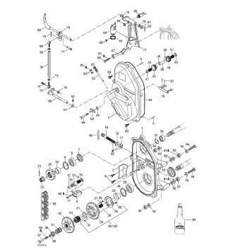
05- Chaincase
05- Drive Axle And Track
05- Drive Pulley
05- Driven Pulley
05- Transmission
06- Hydraulic Brake And Belt Guard
07- Front Suspension And Ski
07- Steering System
08- Front Arm, Rear Suspension
08- Rear Arm, Rear Suspension
08- Rear Suspension
09- Bottom Pan
09- Cab, Console
09- Decals
09- Frame And Accessories
09- Seat And Accessories
10- Electrical Accessories
10- Electrical System
Fuel Your Passion
Parts That Keep You Riding
Edit ride