640 LC4 SUPERMOTO PRESTIGE 05 <2005>
Special tools (engine)
FRONT FORK, TRIPLE CLAMP
FRONT FORK DISASSEMBLED
FRAME
SIDE / CENTER STAND
SHOCK ABSORBER
SHOCK ABSORBER DISASSEMBLED
PRO LEVER LINKING
SWING ARM
EXHAUST SYSTEM
AIR FILTER
DECAL
WIRING HARNESS
ACCESSORIES
FRONT BRAKE CONTROL
REAR BRAKE CONTROL
FRONT BRAKE CALIPER
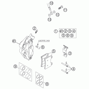
REAR BRAKE CALIPER
INSTRUMENTS / LOCK SYSTEM
ENGINE CASE
BALANCER SHAFT
CYLINDER, CYLINDER HEAD
CRANKSHAFT, PISTON
ENGINE VENT
CARBURETOR
SECONDARY AIR SYSTEM SAS
ELECTRONIC POWER CONTROL EPC
CLUTCH
TRANSMISSION I - MAIN SHAFT
TRANSMISSION II - COUNTERSHAFT
KICK STARTER
SHIFTING MECHANISM
WATER PUMP
COOLING SYSTEM
VALVE DRIVE
TIMING DRIVE
CYLINDER HEAD
LUBRICATING SYSTEM
IGNITION SYSTEM
ELECTRIC STARTER
LIGHTING SYSTEM
HANDLEBAR, CONTROLS
TANK, SEAT
MASK, FENDERS
FRONT WHEEL
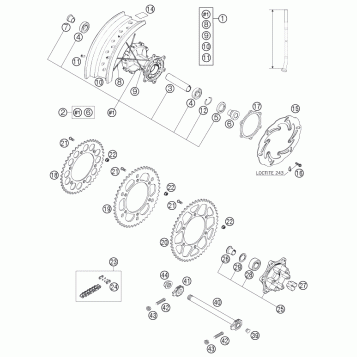
REAR WHEEL
Fuel Your Passion
Parts That Keep You Riding
Edit ride