GTX DI, 5528/5529/5540/5541, 2001
01- Cooling System
01- Crankcase, Reed Valve
01- Crankshaft And Pistons
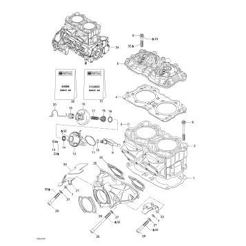
01- Cylinder, Exhaust Manifold
01- Engine Support And Muffler
02- Air Intake System
02- Fuel System
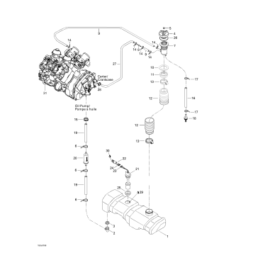
02- Oil Injection System
03- Magneto, Oil Pump
04- Starter
05- Drive System
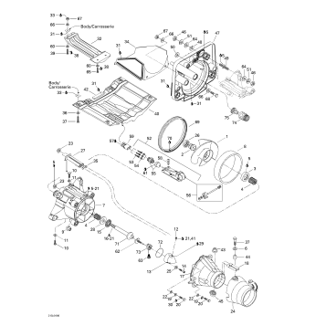
05- Propulsion System
05- Reverse
07- Steering System
09- Body, Front View
09- Body, Rear View
09- Decals
09- Front Storage Compartment
09- Seat Rear
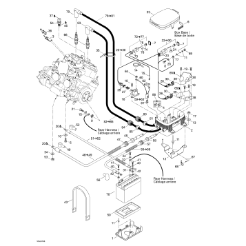
10- Electrical Harness
10- Electronic Module And Electrical Accessories
10- Rear Electrical Box
10- Typical Electrical Connections
Fuel Your Passion
Parts That Keep You Riding
Edit ride