GTS 130 & Rental, 2014
01- Crankshaft, Pistons And Balance Shaft
01- Cylinder Head
01- Engine Block
02- Air Intake Manifold And Throttle Body
02- Oil Separator
03- PTO Cover And Magneto
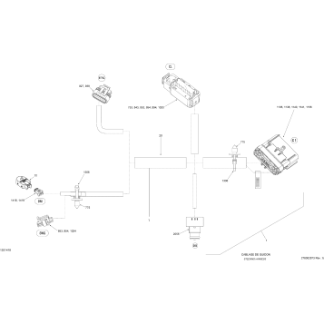
10- Engine Harness
01- Cooling System _14S1418
01- Engine _07S1418
01- Exhaust System _37S1418
02- Fuel System _17S1418
05- Propulsion _21S1418
05- Pump _35S1418
05- Reverse _31S1418
07- Steering _24S1418
09- Body _34S1418
09- Decals _29S1418a
09- Decals _29S1418b
09- Front Cover _26S1418
09- Hull _33S1418_LFI
09- Hull _33S1418b_ACMP
09- Seat _25S1418
09- Ventilation _36S1418
10- Electrical Harness Main Harness_13S1418a
10- Electrical Harness Steering_13S1418
10- Electrical System _09S1418
Fuel Your Passion
Parts That Keep You Riding
Edit ride