GTI SE 130, 2014
01- Crankshaft, Pistons And Balance Shaft
01- Cylinder Head
01- Engine Block
02- Air Intake Manifold And Throttle Body
02- Oil Separator
03- PTO Cover And Magneto
10- Engine Harness
01- Cooling System _14S1413
01- Engine _07S1413
01- Exhaust System _37S1413
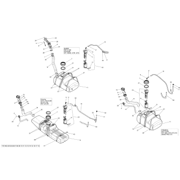
02- Fuel System _17S1413
05- Propulsion _21S1413
05- Pump _35S1413
05- Reverse _31S1413
07- Steering _24S1413
09- Body _34S1413
09- Decals _29S1413a
09- Decals _29S1413b
09- Front Cover _26S1413
09- Hull _33S1413_LFI
09- Hull _33S1413b_ACMP
09- Seat _25S1413
09- Ventilation _36S1413
10- Electrical Harness Main Harness_13S1413a
10- Electrical Harness Steering_13S1413
10- Electrical System _09S1413
Fuel Your Passion
Parts That Keep You Riding
Edit ride