GTI, 5836/5841, 1998
01- Cooling System
01- Crankcase, Rotary Valve
01- Crankshaft And Pistons
01- Cylinder, Exhaust Manifold
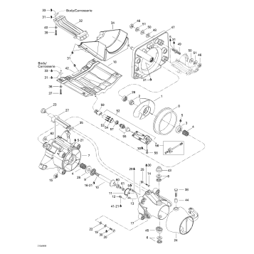
01- Engine Support And Muffler
02- Air Intake System
02- Carburetor (single)
02- Fuel System
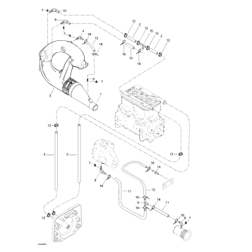
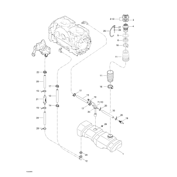
02- Oil Injection System
02- Oil Injection System, Oil Pump, Rotary Valve
03- Magneto
04- Starter
05- Drive System
05- Propulsion System
05- Reverse
07- Steering System
09- Accessories
09- Body
09- Decals
09- Front Storage Compartment
09- Seats, Rear And Front
10- Electrical Accessories
10- Electrical System
10- Rear Electrical Box
10- Typical Electrical Connections
Fuel Your Passion
Parts That Keep You Riding
Edit ride