GS, 5548, 2001
01- Cooling System
01- Crankcase, Rotary Valve
01- Crankshaft And Pistons
01- Cylinder, Exhaust Manifold
01- Engine Support And Muffler
02- Air Intake System
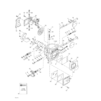
02- Carburetor (single, Mikuni)
02- Fuel System
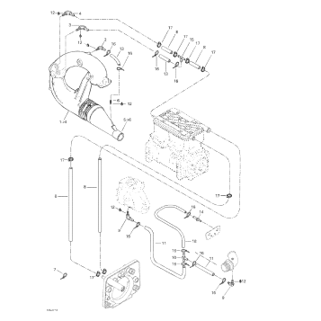
02- Oil Injection System
02- Oil Injection System, Oil Pump, Rotary Valve
03- Magneto
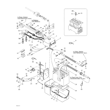
04- Starter
05- Drive System
05- Propulsion System
07- Steering System
09- Body, Front View
09- Body, Rear View
09- Decals
09- Front Storage Compartment
09- Seat And Engine Cover
10- Electrical Harness
10- Electronic Module And Electrical Accessories
10- Rear Electrical Box
10- Typical Electrical Connections
Fuel Your Passion
Parts That Keep You Riding
Edit ride