Freestyle Session 300F, 2007
09- Seat 1
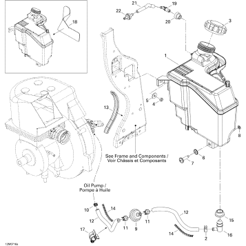
01- Cooling System (300F)
01- Crankcase
01- Crankshaft, Piston And Cylinder
01- Engine And Engine Support 300F
01- Exhaust System 300F
02- Air Intake System 300F
02- Carburetor 300F
02- Fuel System 300F
02- Oil Pump
02- Oil System 300F
03- Magneto
04- Electric Starter 300F
04- Rewind Starter
05- Drive System 300F
05- Pulley System 300F
06- Hydraulic Brakes
07- Front Suspension And Ski 300F
07- Steering System 300F
08- Front Arm
08- Rear Arm 300F
08- Rear Suspension
08- Rear Suspension Shocks 300F
09- Bottom Pan 300F
09- Decals 300F
09- Frame
09- Frame and Components 300F
09- Hood 300F
09- Luggage Rack
09- Utilities
10- Battery And Starter 300F
10- Electrical Accessories 300F
10- Electrical Harness
10- Electrical Harness Hood CU
10- Electrical Harness Hood, EUR
10- Steering Wiring Harness 300F
Fuel Your Passion
Parts That Keep You Riding
Edit ride