Formula SS, 1996
01- Cooling System FORMULA SS
01- Crankcase (670)
01- Crankshaft And Pistons 670
01- Cylinder And Exhaust Manifold 670
01- Engine And Engine Support FORMULA SS
02- Carburetor Formula SS
02- Fuel System Formula SS
02- Oil Injection System
02- Oil Tank And Support
03- Magneto 670
04- Rewind Starter 670
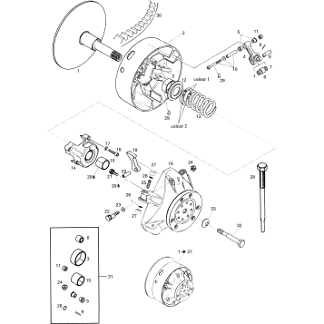
05- Drive Pulley Formula SS
05- Drive System
05- Driven Pulley Formula SS
05- Transmission Formula SS
06- Hydraulic Brake
07- Front Suspension And Ski Formula SS
07- Steering System
08- Front Arm Formula SS
08- Rear Arm Formula SS
08- Rear Suspension
09- Cab And Console Formula SS
09- Decals Formula SS
09- Frame and Components Formula SS
09- Seat Formula SS
10- Electrical System Formula SS
Fuel Your Passion
Parts That Keep You Riding
Edit ride