Explorer, 5824, 1997
01- Cooling System
01- Crankcase, Rotary Valve
01- Crankshaft And Pistons
01- Cylinder, Exhaust Manifold
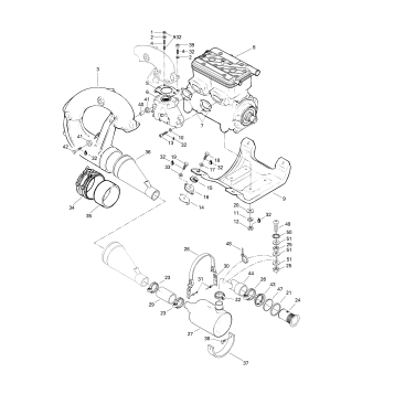
01- Engine Support And Muffler
02- Air Intake System
02- Carburetor
02- Fuel System
02- Oil Injection System
02- Oil Injection System, Oil Pump, Rotary Valve
03- Magneto
04- Starter
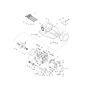
05- Drive System
05- Propulsion System
05- Reverse
07- Steering System
09- Accessories Sport Boats
09- Body And Accessories
09- Console
09- Decals And Hypalon Tube
09- Engine Cover And Seat
09- Front Seat And Storage Compartment
09- Rear Seat And Storage Compartment
10- Electrical Accessories
10- Electrical System
Fuel Your Passion
Parts That Keep You Riding
Edit ride