Mini DS 90 4-strokes, 2007
01- Air Cleaner
01- Camshaft, Valve
01- Crankcase
01- Crankcase Cover, Left
01- Crankcase Cover, Right
01- Crankshaft And Pistons
01- Cylinder
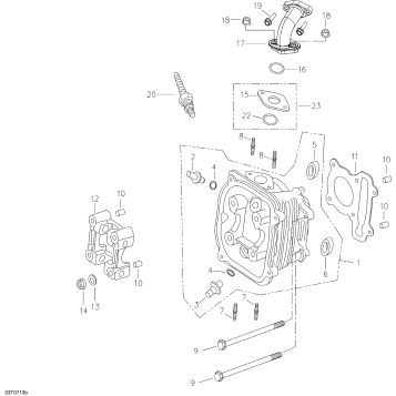
01- Cylinder Head
01- Cylinder Head Cover
01- Exhaust System
01- Fan Cover
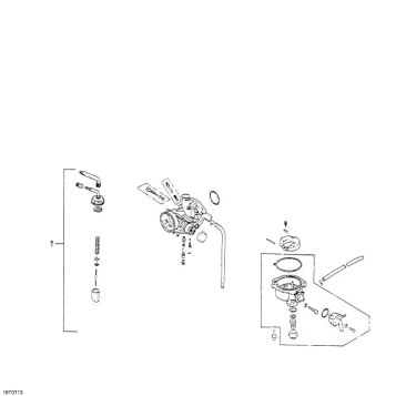
02- Carburetor
02- Fuel System
02- Oil Pump
03- Magneto
04- Electric Starter
05- Chain Tensioner
05- Drive Pulley, Kick Start
05- Pulley System
05- Transmission
06- Front Brake
06- Rear Brake
07- Front Suspension
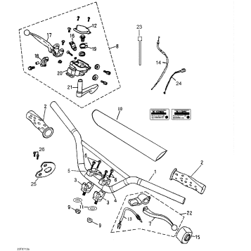
07- Handlebar
07- Steering System
08- Drive System, Rear
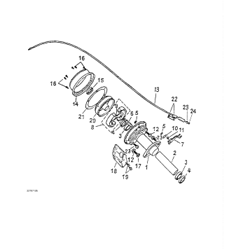
08- Rear Wheel
09- Body And Accessories
09- Frame
09- Frame And Luggage Racks
10- Electrical System
Fuel Your Passion
Parts That Keep You Riding
Edit ride