Challenger, 5612, 1998
01- Cooling System
01- Crankcase, Rotary Valve
01- Crankshaft And Pistons
01- Cylinder, Exhaust Manifold
01- Engine Support And Muffler
02- Air Intake System
02- Carburetor (single, Mikuni)
02- Fuel System
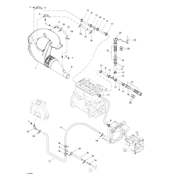
02- Oil Injection System
02- Oil Injection System, Oil Pump, Rotary Valve
03- Magneto
04- Starter
05- Control Handle
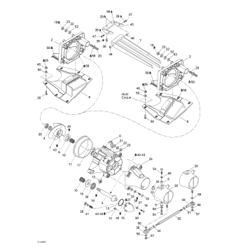
05- Drive System
05- Propulsion System
05- Reverse
05- Weedless System
07- Steering System
09- Accessories Sport Boats
09- Body And Accessories
09- Central Cover And Accessories
09- Decals 1
09- Decals 2
09- Engine Compartment
09- Front Storage Compartment
09- Seats
10- Electrical Accessories
10- Electrical System
10- Typical Electrical Connections
Fuel Your Passion
Parts That Keep You Riding
Edit ride