- Partiron
- OEM Parts
- Sea-doo
- Boats
- 1998
- Challenger
- Challenger, 5612, 1998
Cooling System
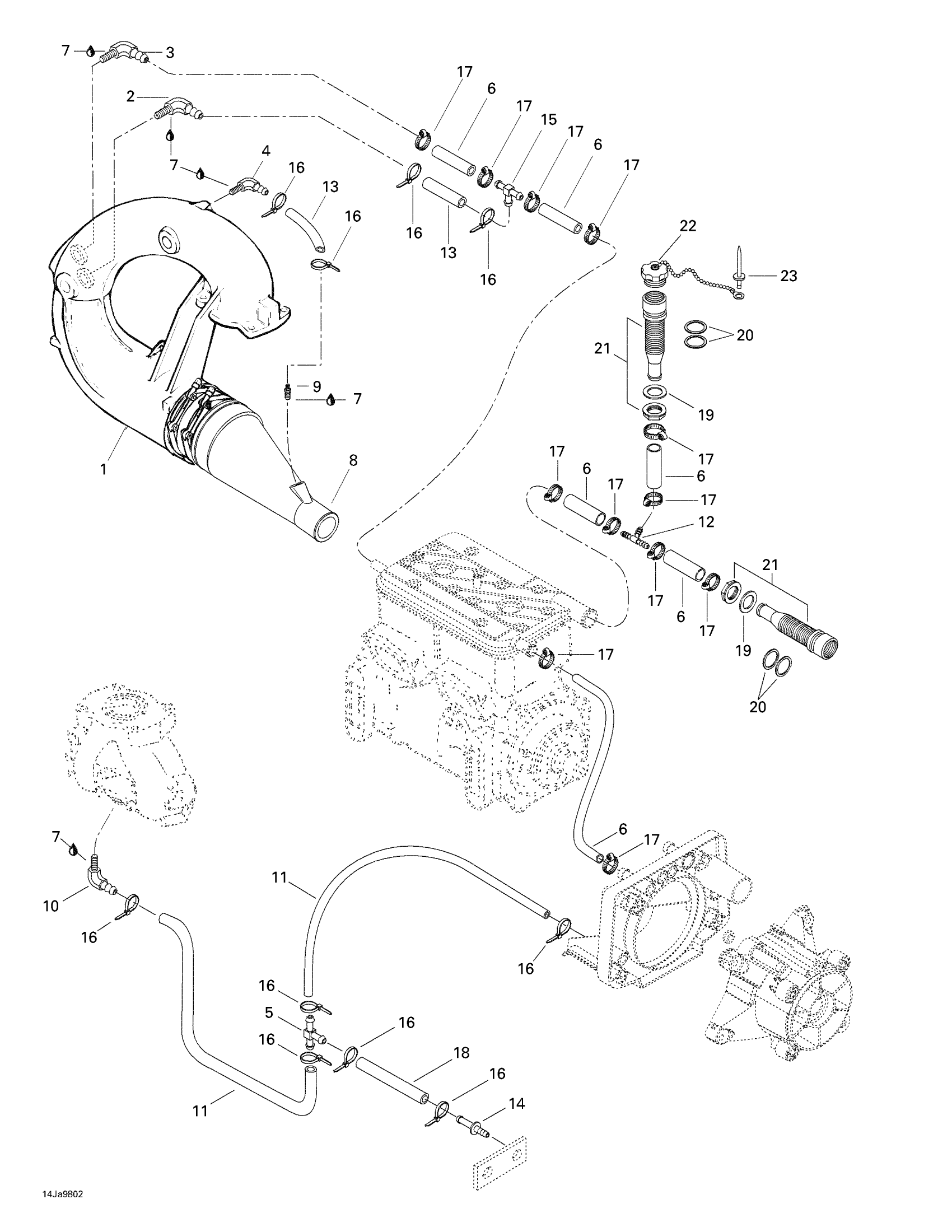
Sea-doo Challenger, 5612, 1998 Cooling System Diagram
#
Description
Price
1
Tuned Pipe Ass'y
274000487
Unavailable
2
Elbow Fitting 90°
293710048
Unavailable
4
Elbow Fitting 90°
293710018
Unavailable
5
<> FITTING - Call your local BRP dealership
293710042
Unavailable
8
Exhaust Cone Ass’Y
274000488
Unavailable
10
Elbow Fitting
293700016
Unavailable
12
Y Fitting
293710072
Unavailable
14
BLEED FITTING - Call your local BRP dealership
291000306
Unavailable
19
WASHER - Call your local BRP dealership
293050003
Unavailable
20
GASKET - Call your local BRP dealership
293250028
Unavailable
21
Fitting
293710063
Unavailable
22
PLUG - Call your local BRP dealership
293000055
Unavailable
23
RIVET_POP 1/8 X ,625 - Call your local BRP dealership
293150023
Unavailable
