85 SX 17/14 2006
FRONT FORK, TRIPLE CLAMP
Special tools (engine)
FRONT FORK DISASSEMBLED
HANDLEBAR, CONTROLS
FRAME
SHOCK ABSORBER DISASSEMBLED
SWING ARM
EXHAUST SYSTEM
AIR FILTER
TANK, SEAT
MASK, FENDERS
FRONT BRAKE CONTROL
REAR BRAKE CONTROL
FRONT BRAKE CALIPER
REAR BRAKE CALIPER
DECAL
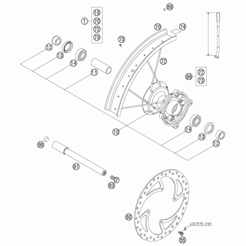
FRONT WHEEL
REAR WHEEL
ENGINE CASE
REED VALVE CASE
CLUTCH
TRANSMISSION I - MAIN SHAFT
KICK STARTER
SHIFTING MECHANISM
COOLING SYSTEM
IGNITION SYSTEM
CRANKSHAFT, PISTON
TRANSMISSION II - COUNTERSHAFT
CYLINDER HEAD
EXHAUST CONTROL
Fuel Your Passion
Parts That Keep You Riding
Edit ride