660 SMS <2004>
FRONT FORK, TRIPLE CLAMP
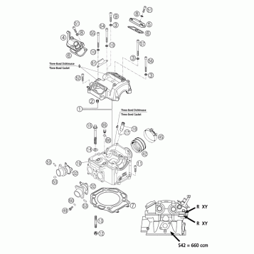
Special tools (engine)
PRO LEVER LINKING
FRONT FORK DISASSEMBLED
HANDLEBAR, CONTROLS
FRAME
SHOCK ABSORBER
SHOCK ABSORBER DISASSEMBLED
SWING ARM
EXHAUST SYSTEM
AIR FILTER
TANK, SEAT
MASK, FENDERS
DECAL
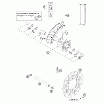
FRONT WHEEL
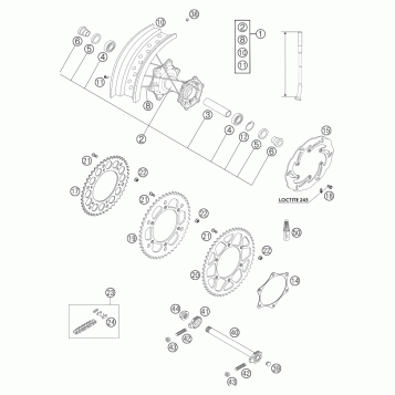
REAR WHEEL
ACCESSORIES
FRONT BRAKE CONTROL
REAR BRAKE CONTROL
FRONT BRAKE CALIPER
REAR BRAKE CALIPER
KICK STARTER
BALANCER SHAFT
ENGINE CASE
CYLINDER
CRANKSHAFT, PISTON
ENGINE VENT
CARBURETOR
CLUTCH
TRANSMISSION I - MAIN SHAFT
TRANSMISSION II - COUNTERSHAFT
SHIFTING MECHANISM
WATER PUMP
COOLING SYSTEM
TIMING DRIVE
CYLINDER HEAD
LUBRICATING SYSTEM
IGNITION SYSTEM
Fuel Your Passion
Parts That Keep You Riding
Edit ride