65 SX 2004
FRONT FORK, TRIPLE CLAMP
Special tools (engine)
FRONT FORK DISASSEMBLED
MASK, FENDERS
FRAME
SHOCK ABSORBER DISASSEMBLED
SWING ARM
EXHAUST SYSTEM
AIR FILTER
TANK, SEAT
DECAL
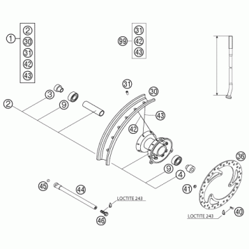
FRONT WHEEL
REAR WHEEL
FRONT BRAKE CONTROL
REAR BRAKE CONTROL
FRONT BRAKE CALIPER
REAR BRAKE CALIPER
CLUTCH
ENGINE CASE
TRANSMISSION
SHIFTING MECHANISM
CYLINDER, CYLINDER HEAD
CRANKSHAFT, PISTON
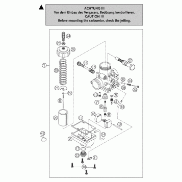
CARBURETOR
KICK STARTER
COOLING SYSTEM
IGNITION SYSTEM
Fuel Your Passion
Parts That Keep You Riding
Edit ride