640 ADVENTURE 2005
FRONT FORK, TRIPLE CLAMP
Special tools (engine)
ENGINE CASE
BALANCER SHAFT
CYLINDER
CRANKSHAFT, PISTON
ENGINE VENT
CARBURETOR
SECONDARY AIR SYSTEM SAS
ELECTRONIC POWER CONTROL EPC
CLUTCH
TRANSMISSION I - MAIN SHAFT
TRANSMISSION II - COUNTERSHAFT
KICK STARTER
SHIFTING MECHANISM
WATER PUMP
COOLING SYSTEM
VALVE DRIVE
TIMING DRIVE
CYLINDER HEAD
LUBRICATING SYSTEM
IGNITION SYSTEM
ELECTRIC STARTER
FRONT FORK DISASSEMBLED
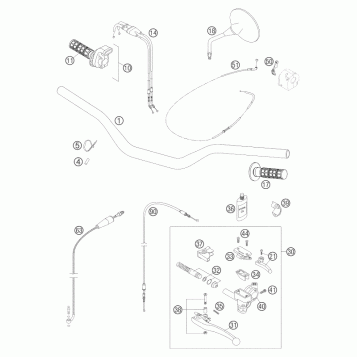
HANDLEBAR, CONTROLS
FRAME
SIDE / CENTER STAND
SHOCK ABSORBER
SHOCK ABSORBER DISASSEMBLED
PRO LEVER LINKING
SWING ARM
EXHAUST SYSTEM
MAIN SILENCER
AIR FILTER
TANK, SEAT
MASK, FENDERS
DECAL
FRONT WHEEL
REAR WHEEL
WIRING HARNESS
ACCESSORIES
FRONT BRAKE CONTROL
REAR BRAKE CONTROL
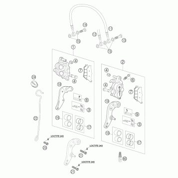
FRONT BRAKE CALIPER
REAR BRAKE CALIPER
LIGHTING SYSTEM
INSTRUMENTS / LOCK SYSTEM
Fuel Your Passion
Parts That Keep You Riding
Edit ride