450 MXC-G RACING 2003
FRONT FORK, TRIPLE CLAMP
Special tools (engine)
SIDE / CENTER STAND
FRONT BRAKE CALIPER
FRONT FORK DISASSEMBLED
HANDLEBAR, CONTROLS
FRAME
SHOCK ABSORBER
SHOCK ABSORBER DISASSEMBLED
SWING ARM
EXHAUST SYSTEM
MAIN SILENCER
AIR FILTER
TANK, SEAT
MASK, FENDERS
DECAL
FRONT WHEEL
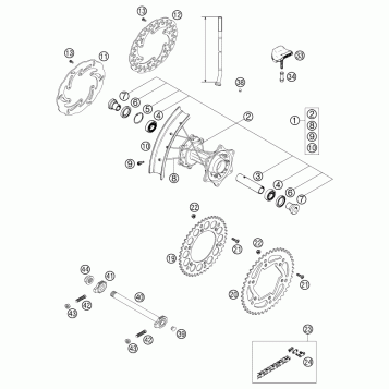
REAR WHEEL
WIRING HARNESS
ACCESSORIES
FRONT BRAKE CONTROL
REAR BRAKE CONTROL
REAR BRAKE CALIPER
ENGINE CASE
BALANCER SHAFT
CYLINDER
CRANKSHAFT, PISTON
CARBURETOR
CLUTCH
TRANSMISSION I - MAIN SHAFT
TRANSMISSION II - COUNTERSHAFT
KICK STARTER
SHIFTING MECHANISM
COOLING SYSTEM
VALVE DRIVE
TIMING DRIVE
CYLINDER HEAD
LUBRICATING SYSTEM
IGNITION SYSTEM
ELECTRIC STARTER
Fuel Your Passion
Parts That Keep You Riding
Edit ride