1190 RC8 R WHITE 2011
DIAGNOSTIC TOOL
FRONT FORK, TRIPLE CLAMP
WP SHIMS FOR SETTING
FRONT FORK DISASSEMBLED
HANDLEBAR, CONTROLS
FRAME
SIDE / CENTER STAND
SHOCK ABSORBER
PRO LEVER LINKING
SWING ARM
AIR FILTER
FUEL PUMP
FRONT WHEEL
REAR WHEEL
WIRING HARNESS
BATTERY
FRONT BRAKE CONTROL
REAR BRAKE CONTROL
FRONT BRAKE CALIPER
REAR BRAKE CALIPER
INSTRUMENTS / LOCK SYSTEM
ENGINE CASE
CLUTCH COVER
BALANCER SHAFT
CYLINDER
CRANKSHAFT, PISTON
SECONDARY AIR SYSTEM SAS
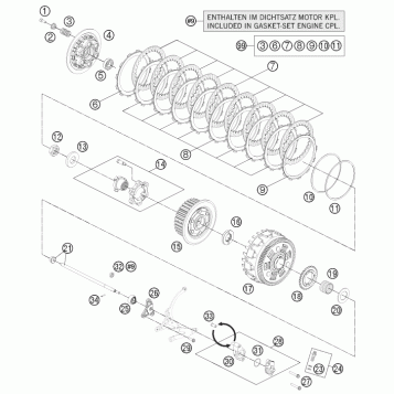
CLUTCH
TRANSMISSION I - MAIN SHAFT
TRANSMISSION II - COUNTERSHAFT
SHIFTING MECHANISM
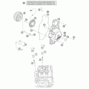
WATER PUMP
COOLING SYSTEM
VALVE DRIVE
TIMING DRIVE
LUBRICATING SYSTEM
IGNITION SYSTEM
ELECTRIC STARTER
THROTTLE BODY
CYLINDER HEAD REAR
CYLINDER HEAD FRONT
LIGHTING SYSTEM
EVAPORATIVE CANISTER
ACCESSORY PACK
DECAL
EXHAUST SYSTEM
TANK, SEAT
MASK, FENDERS
Fuel Your Passion
Parts That Keep You Riding
Edit ride