105 SX 2006
FRONT FORK, TRIPLE CLAMP
Special tools (engine)
FRONT FORK DISASSEMBLED
HANDLEBAR, CONTROLS
FRAME
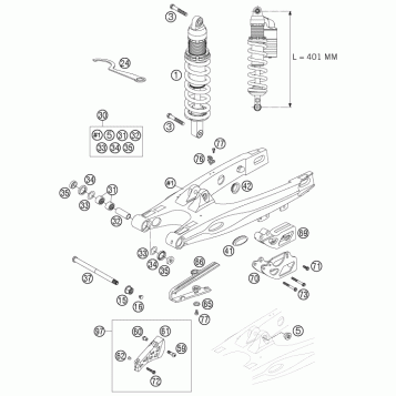
SHOCK ABSORBER DISASSEMBLED
SWING ARM
EXHAUST SYSTEM
AIR FILTER
TANK, SEAT
MASK, FENDERS
DECAL
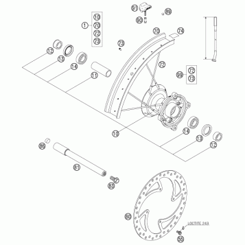
FRONT WHEEL
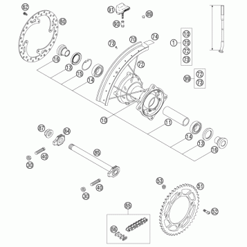
REAR WHEEL
FRONT BRAKE CONTROL
REAR BRAKE CONTROL
FRONT BRAKE CALIPER
REAR BRAKE CALIPER
ENGINE CASE
CYLINDER, CYLINDER HEAD
CRANKSHAFT, PISTON
REED VALVE CASE
CLUTCH
TRANSMISSION I - MAIN SHAFT
TRANSMISSION II - COUNTERSHAFT
KICK STARTER
SHIFTING MECHANISM
COOLING SYSTEM
EXHAUST CONTROL
IGNITION SYSTEM
Fuel Your Passion
Parts That Keep You Riding
Edit ride