Partiron

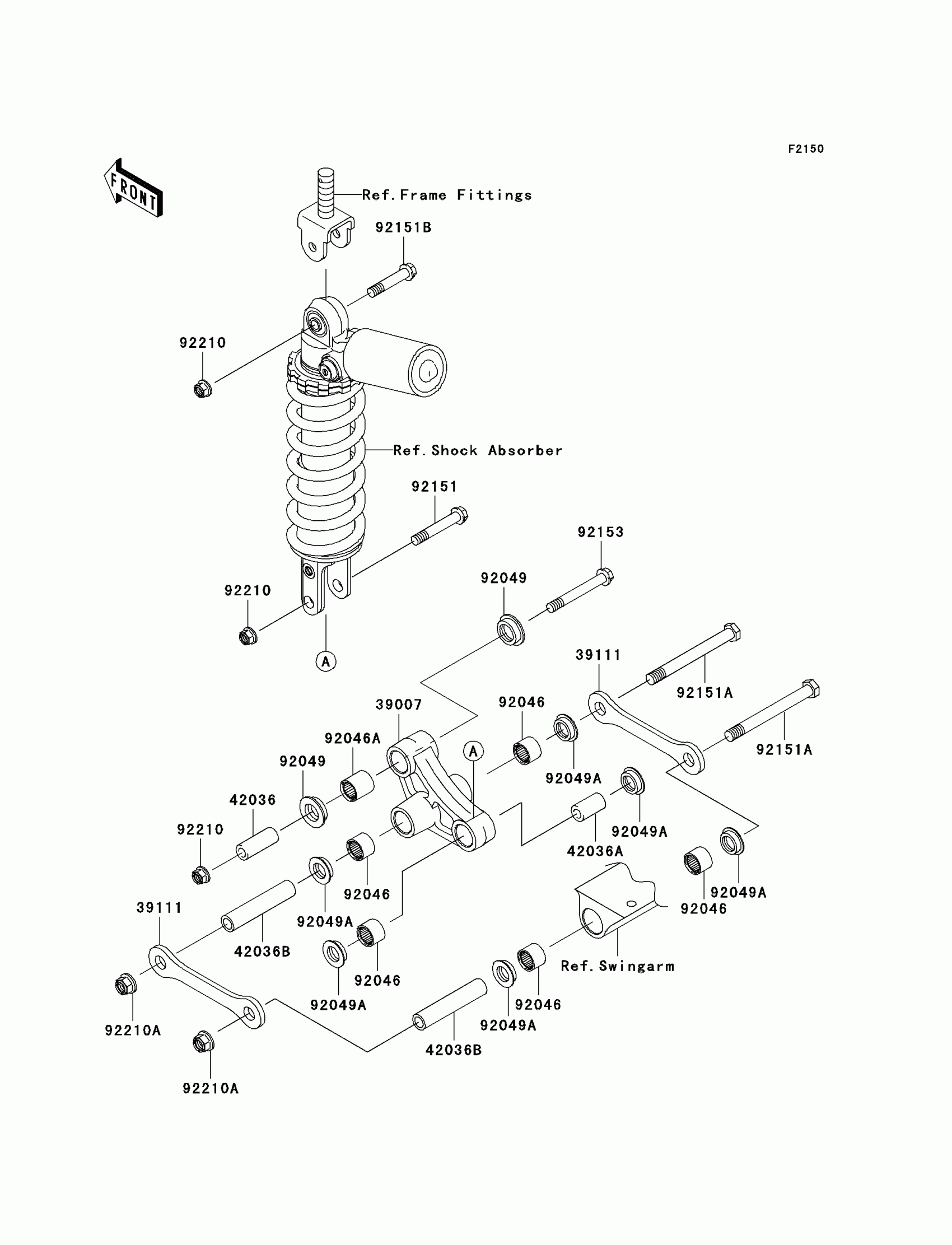
Kawasaki ZZR600 Rear Suspension Diagram

#

Description
Price

39007

ARM-SUSP,UNI TRAK

39007-0006

$239.89

39111

ROD-TIE,SUSPENSION

39111-1163

$95.85

42036

SLEEVE,10.1X17X44.5

42036-1342

$11.28

42036A

SLEEVE,10.1X18X32

42036-1344

$11.28

42036B

SLEEVE,12.1X18X90

42036-1360

$15.99

92046

BEARING-NEEDLE,SFYZM182417

92046-1272

$16.42

92046A

BEARING-NEEDLE,SFYZM172425

92046-1273

$17.69

92049

SEAL-OIL,MHA17245.7F

92049-1223

$8.86

92049A

SEAL-OIL,KCR MF018N1

92049-1493

$9.19

92151

BOLT,FLANGED,10X77

92151-1600

$11.93

92151A

BOLT,FLANGED,10X62

92151-1601

$6.28

92151B

BOLT,12X117

92151-1684

$18.02

92151C

BOLT,FLANGED,10X51

92151-1798

$7.38

92210

NUT,LOCK,FLANGED,10MM

92210-1139

$4.18

92210A

NUT,LOCK,FLANGED,12MM

92210-1150

$6.22