Partiron

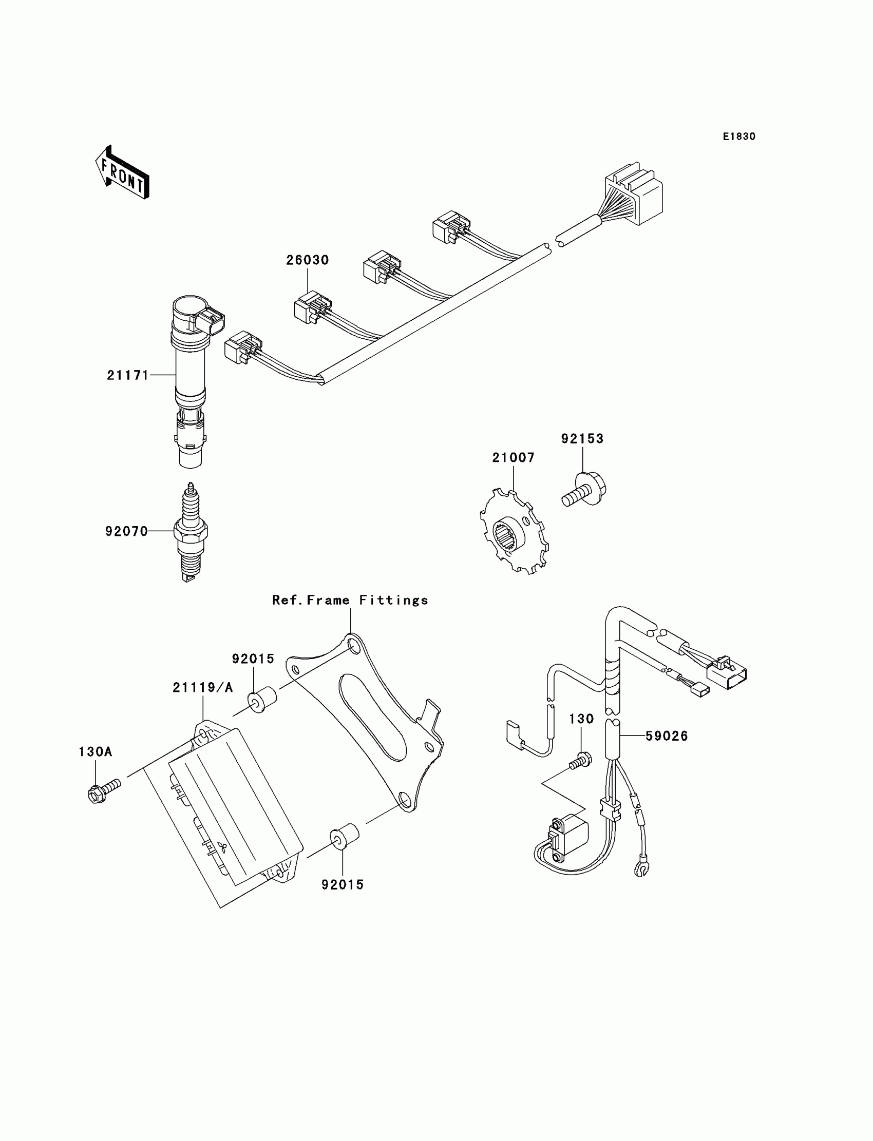
Kawasaki ZZR600 Ignition System Diagram

#

Description
Price

130

BOLT-FLANGED,5X12

130G0512

$2.19

130A

BOLT-FLANGED

130J0620

$0.43

21007

ROTOR

21007-1366

$52.38

21171

COIL-ASSY-IGNITION

21171-1272

$178.95

26030

HARNESS,IGNITION COIL

26030-1706

$133.04

59026

COIL-PULSING

59026-1155

$140.00

92015

NUT

92015-1700

$8.58

92070

PLUG-SPARK,CR9E(NGK)

92070-1266

Unavailable

92153

BOLT,FLANGED,8X23

92153-0549

$8.26

21119

IGNITER

21119-1568

$657.89

21119A

IGNITER

21119-1569

$627.20