Partiron

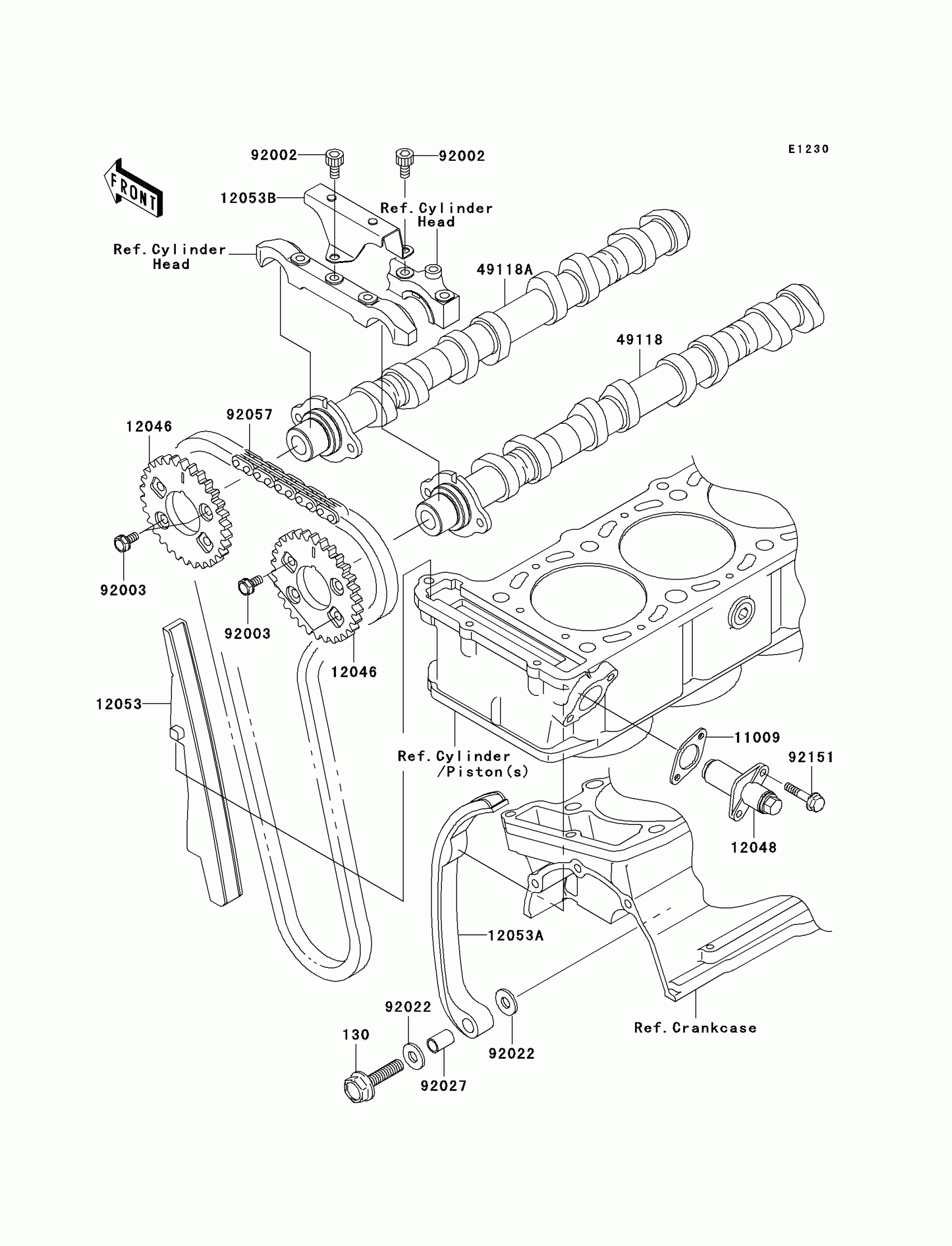
Kawasaki ZZR1200 Camshaft(s)/Tensioner Diagram

#

Description
Price

130

BOLT-FLANGED,8X35

130G0835

$1.42

11009

GASKET,TENSIONER

11009-1858

$4.61

12046

SPROCKET,CAMSHAFT,34T

12046-1112

$56.26

12048

TENSIONER-ASSY

12048-1113

$126.43

12053

GUIDE-CHAIN,FR

12053-1241

$52.80

12053A

GUIDE-CHAIN,RR

12053-1242

$73.40

12053B

GUIDE-CHAIN,UPP

12053-1243

$37.78

49118

CAMSHAFT-COMP

49118-1215

$721.59

49118A

CAMSHAFT-COMP

49118-1216

$721.59

92002

BOLT,SOCKET,6X12

92002-1796

$4.69

92003

BOLT,FLANGED,6X11

92003-208

$4.31

92022

WASHER,8.2X19X2

92022-1533

$5.52

92027

COLLAR,8.2X10.5X15.6

92027-1763

$6.63

92057

CHAIN,CAMSHAFT

92057-1255

$133.60

92151

BOLT,6X25

92151-1190

$3.63