Partiron

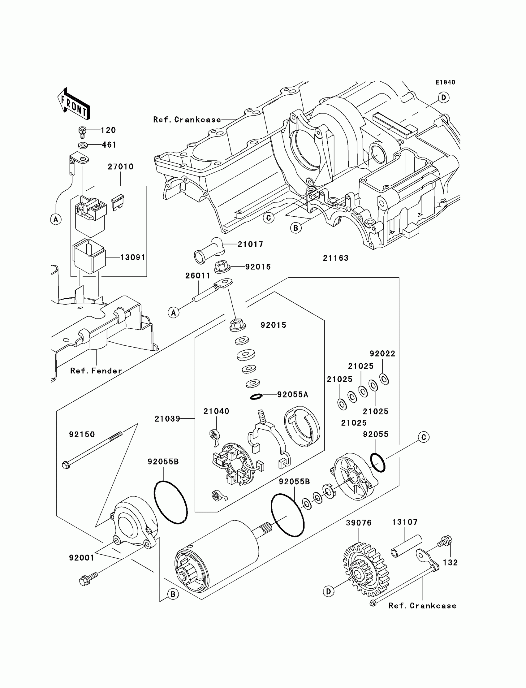
Kawasaki ZRX1200R Starter Motor Diagram

#

Description
Price

120

BOLT-SOCKET,5X10

120S0510

$1.60

132

BOLT-FLANGED-SMALL

132G0612

$1.17

461

WASHER-SPRING,5MM,BLACK

461K0500

$1.49

13091

HOLDER,MAGNETIC SWITCH

13091-1884

$12.45

13107

SHAFT,IDLE GEAR

13107-1106

$16.69

21017

GROMMET,STARTER TERMINAL

21017-017

$9.43

21025

WASHER,9.1X18X0.2

21025-011

$6.22

21039

BRUSH,CARBON

21039-1060

$84.32

21040

SPRING-BRUSH

21040-1055

$8.42

21163

STARTER-ELECTRIC

21163-1161

$534.05

26011

WIRE-LEAD

26011-1654

$89.78

27010

SWITCH,MAGNETIC

27010-1327

Unavailable

39076

LIMITER,STARTER IDLE GEAR

39076-1061

$125.58

92001

BOLT,6X20

92001-1947

$4.34

92015

NUT,STARTER MOTOR

92015-1476

$4.31

92022

WASHER,9.1X18X0.8

92022-1132

$6.22

92055

RING-O

92055-1276

$9.91

92055A

RING-O,4.5X2.0

92055-1370

$4.69

92055B

RING-O,STARTER MOTOR

92055-1381

$9.91

92150

BOLT,5X110

92150-1143

$10.00