Partiron

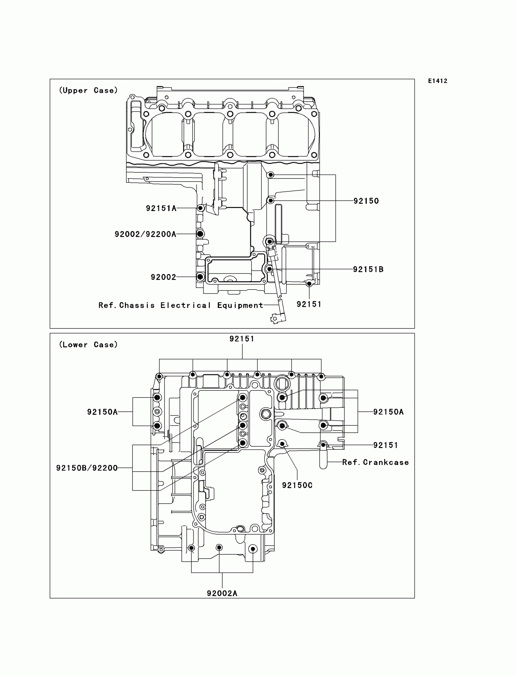
Kawasaki ZRX1200R Crankcase Bolt Pattern Diagram

#

Description
Price

92002

BOLT,8X63

92002-1308

$8.66

92002A

BOLT,6X120

92002-1654

$6.63

92150

BOLT,6X115

92150-1140

$7.22

92150A

BOLT,9X90

92150-1364

Unavailable

92150B

BOLT,9X140

92150-1365

Unavailable

92150C

BOLT,7X38

92150-1367

$6.63

92151

BOLT,6X38

92151-1904

$2.43

92151A

BOLT,6X55

92151-1952

$2.43

92151B

BOLT,6X85

92151-1953

$2.83

92200

WASHER,9.5X18X1.2

92200-1037

$3.98

92200A

WASHER,8.5X16X1.2

92200-1063

$3.92