Kawasaki ZRX1200R Chassis Electrical Equipment Diagram
#
Description
Price
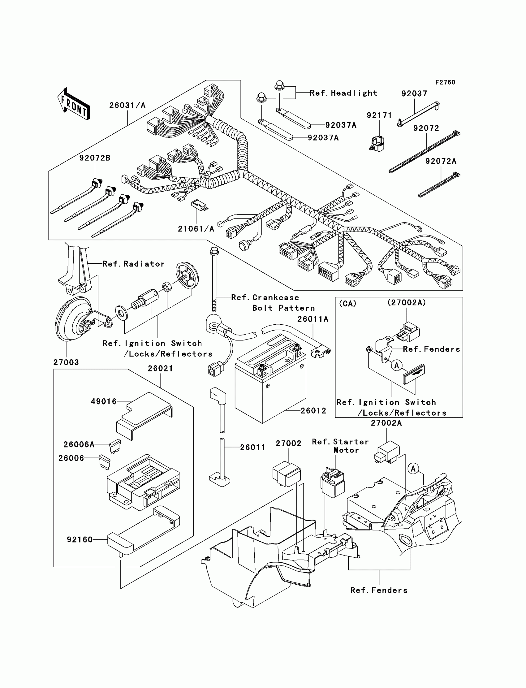
26006
FUSE,BLADE,30A,GREEN
26006-1067
Unavailable
26006A
FUSE,10A-R
26006-1068
Unavailable
26012
BATTERY,FTZ14-BS,12V 14AH
26012-1409
Unavailable
