Partiron

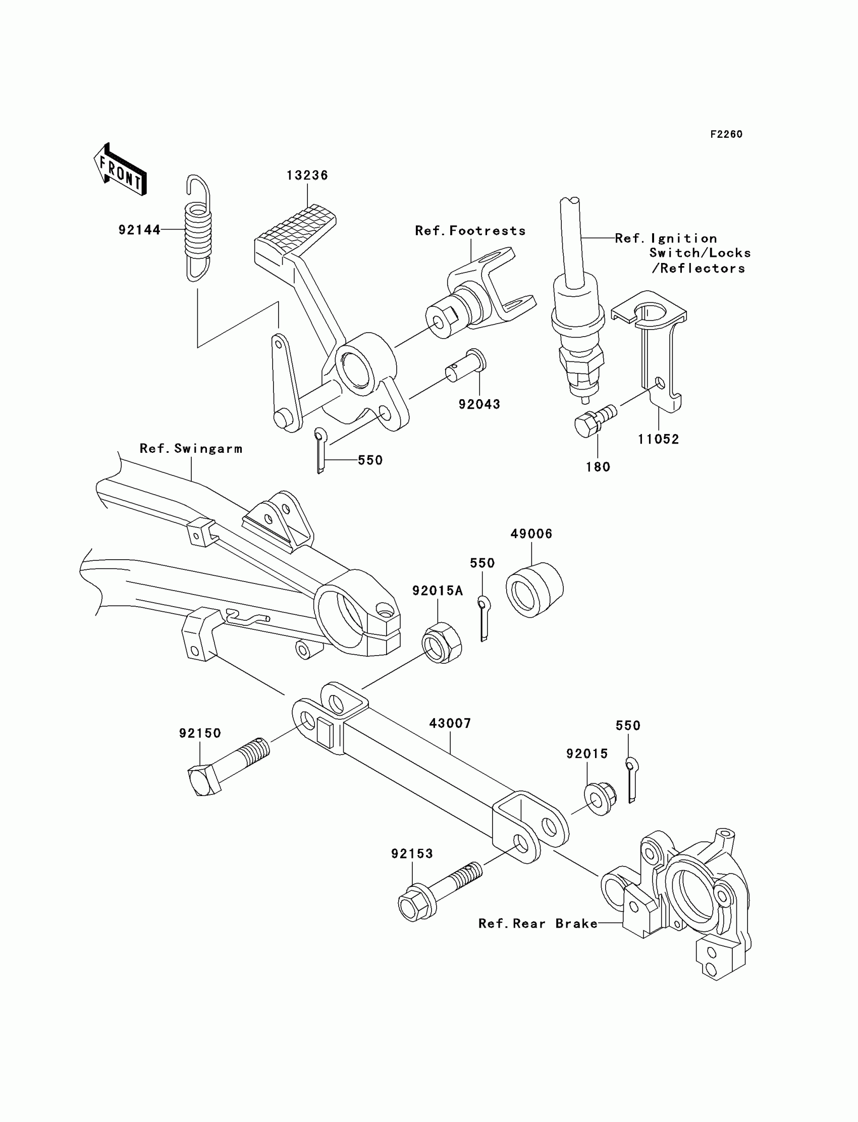
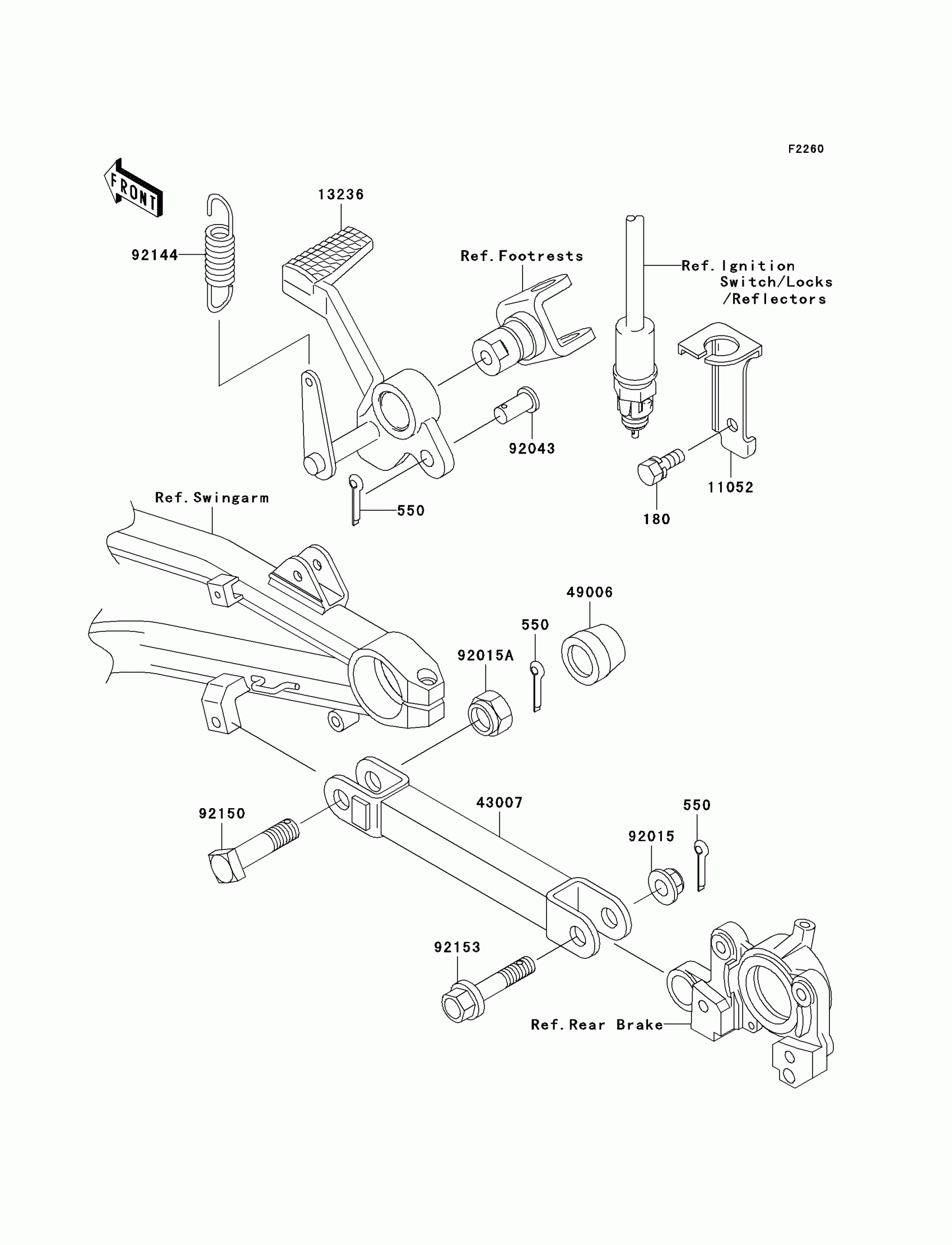
Kawasaki ZRX1200R Brake Pedal/Torque Link Diagram

#

Description
Price

180

BOLT-UPSET-WS,6X14

180H0614

$1.20

550

PIN COTTER 2.0X15

550D2015

$1.04

11052

BRACKET,RR BRAKE SWITCH

11052-1358

$24.44

13236

LEVER-COMP,PEDAL

13236-1293

$123.23

43007

ROD-TORQUE

43007-1194

$29.95

49006

BOOT

49006-1275

$5.54

92015

NUT,8MM

92015-1432

$6.57

92015A

NUT,10MM

92015-1883

$9.89

92043

PIN,8MM

92043-1303

$3.90

92144

SPRING,PAD

92144-1470

$6.51

92150

BOLT,10X39.5

92150-1598

$7.39

92153

BOLT,FLANGED,8X38

92153-1053

$10.59