Partiron

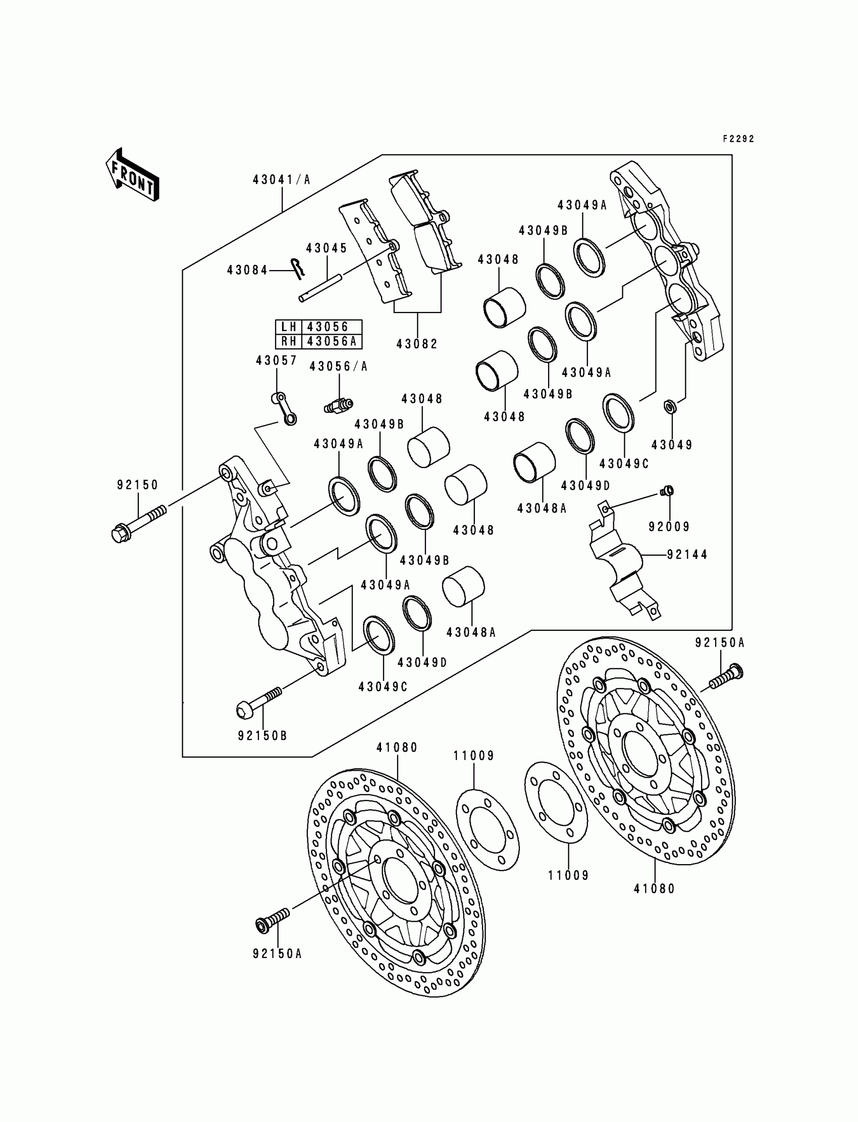
Kawasaki ZRX1100 Front Brake Diagram

#

Description
Price

11009

GASKET,DISC PLATE

11009-1754

$19.15

41080

DISC,FR,GOLD+SILVER

41080-1461-A4

$593.50

43041

CALIPER-ASSY,FR,LH

43041-1683

$342.06

43041A

CALIPER-ASSY,FR,RH

43041-1684

Unavailable

43045

SHAFT-CALIPER

43045-007

$6.51

43048

PISTON-CALIPER,DIA=26.97

43048-1078

$66.04

43048A

PISTON-CALIPER

43048-1079

$73.73

43049

PACKING,SEAL,6.5X11.5X2.2

43049-1004

$6.16

43049A

PACKING,PISTON SEAL

43049-1054

$12.42

43049B

PACKING,PISTON

43049-1055

$11.29

43049C

PACKING,PISTON

43049-1058

$6.12

43049D

PACKING,PISTON

43049-1059

$8.51

43056

BREATHER

43056-003

$24.57

43056A

BREATHER-BRAKE

43056-1056

$14.30

43057

CAP-BREATHER

43057-003

$2.45

43082

PAD-ASSY-BRAKE

43082-1227

$56.57

43084

CLAMP,PAD

43084-003

$4.31

92009

BOLT,SOCKET,4X6

92009-1758

$2.78

92144

SPRING

92144-1903

$18.63

92150

BOLT,FLANGED,10X38

92150-1297

$6.63

92150A

BOLT,SOCKET,8X30

92150-1771

$4.69

92150B

BOLT,SOCKET,8X40

92150-1973

$6.15