Kawasaki ZRX1100 Cylinder Head Diagram
#
Description
Price
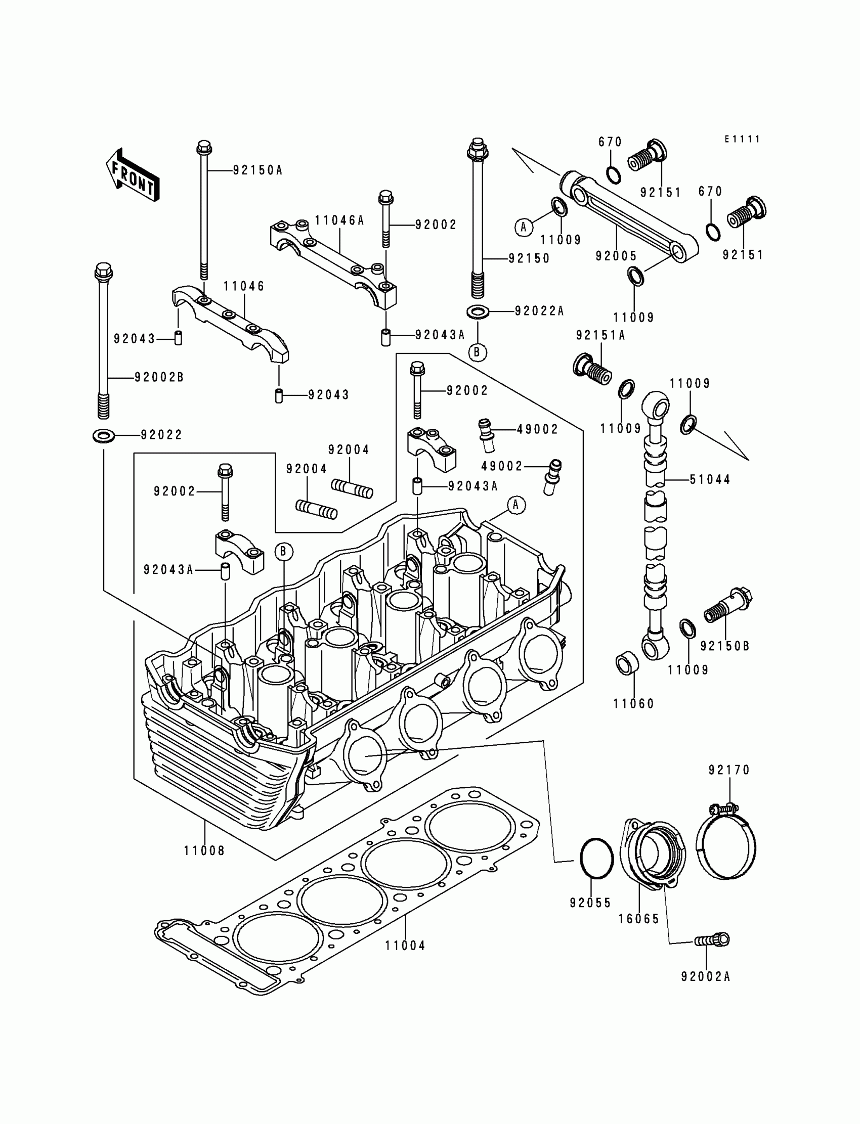
11008
HEAD-COMP-CYLINDER
11008-1325
Unavailable
49002
GUIDE-VALVE
49002-1097
Unavailable
#
11008
11008-1325
Unavailable
49002
49002-1097
Unavailable
Edit ride
