- Partiron
- OEM Parts
- Kawasaki
- motorcycle
- 2015
- ZR800 (European)
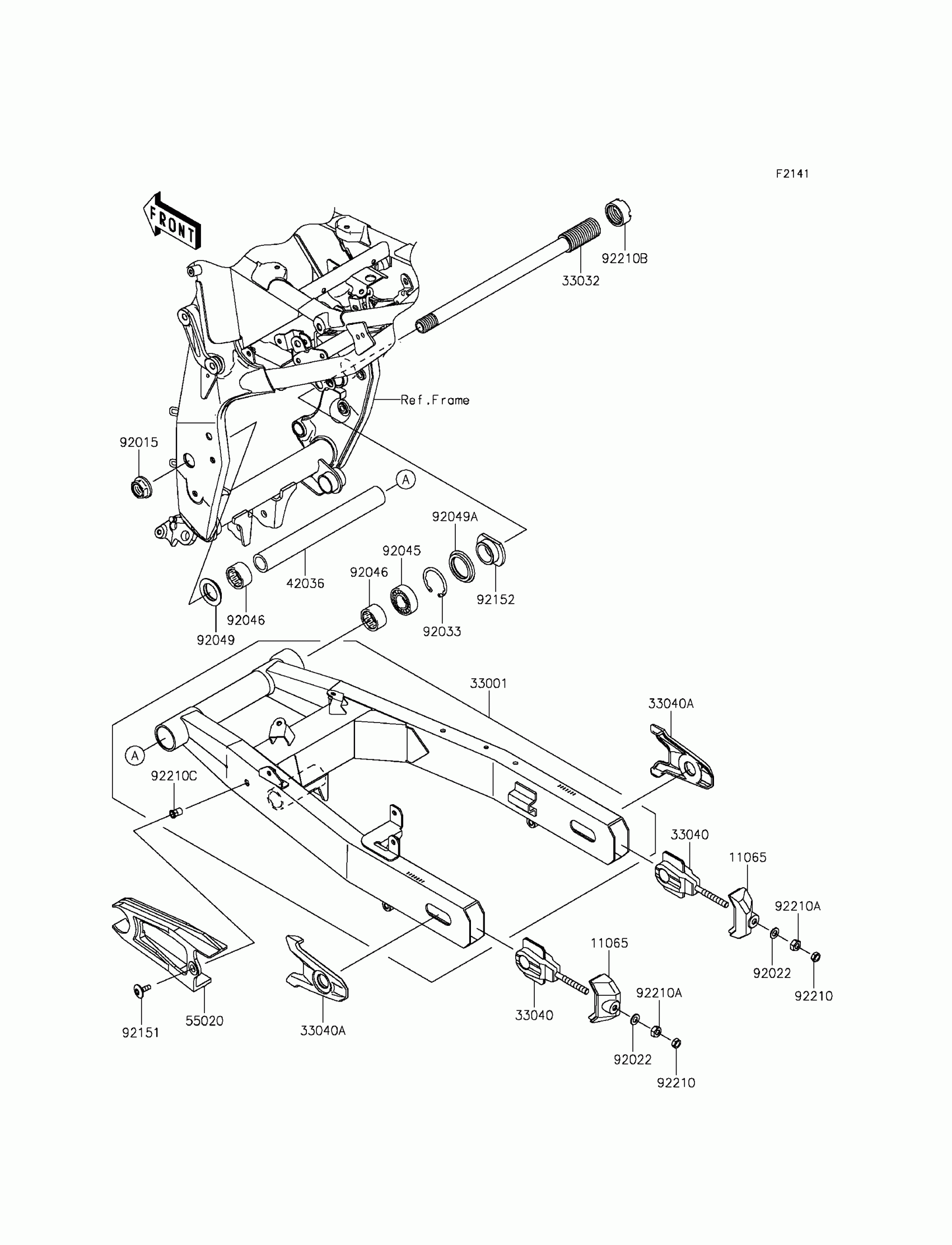
Swingarm
Kawasaki ZR800 (European) Swingarm Diagram
#
Description
Price
11065
CAP,F.S.BLACK
11065-0750-18R
Unavailable
Swingarm
#
11065
11065-0750-18R
Unavailable
Edit ride
