Partiron

Kawasaki ZR1100 Zephyr Frame Diagram

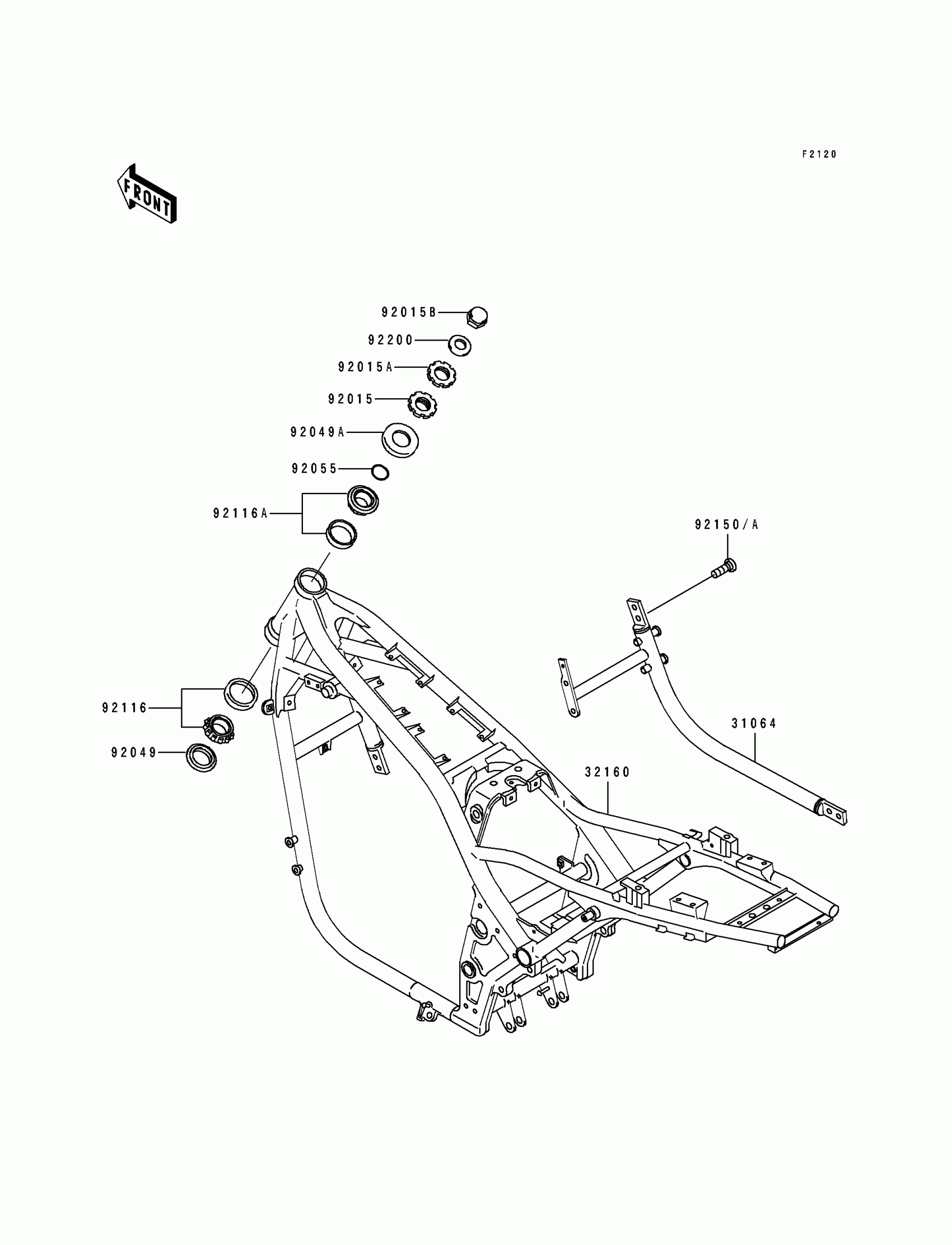
#

Description
Price

31064

PIPE-COMP,SIDE FRAME,RH,C.GRAY

31064-1136-EZ

Unavailable

32160

FRAME-COMP,C.GRAY

32160-1234-EZ

$1,643.12

92015

NUT,25MM

92015-1803

$27.29

92015A

NUT,25MM

92015-1810

$20.96

92015B

NUT,CAP,22MM

92015-1873

$29.25

92049

SEAL-OIL,XMHE36X52X4J

92049-1162

$9.28

92049A

SEAL-OIL,STEERING STEM

92049-1214

$16.69

92055

RING-O,ID=24.5

92055-1459

$4.73

92116

BEARING-ROLLER,HR320/28XJ

92116-1009

$36.32

92116A

BEARING-ROLLER,HI-CAP32005JR-1

92116-1056

$42.93

92150A

BOLT,SOCKET,10X25

92150-1747

$7.84

92200

WASHER,22.5X36X3.2

92200-1126

$9.58