Partiron

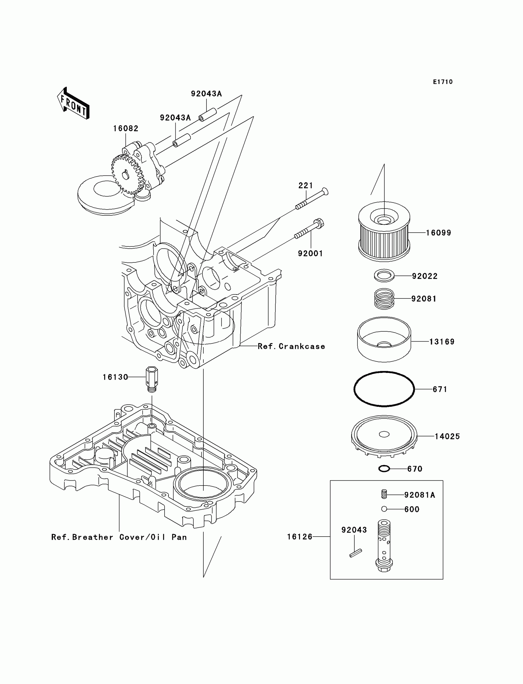
Kawasaki ZR-7S (Canada Only) Oil Pump/Oil Filter Diagram

#

Description
Price

221

SCREW-CSK-CROS,6X55

221B0655

$4.30

600

BALL-STEEL,3/8"

600A1200

$1.56

670

O RING,16MM

670B2016

$1.36

671

O RING,90MM

671B2590

$9.91

13169

PLATE,OIL FILTER

13169-1110

$7.62

14025

COVER,OIL FILTER,F.BLACK

14025-1422

$44.52

16082

PUMP-ASSY-OIL

16082-1158

$210.34

16099

ELEMENT-OIL FILTER

16099-003

$12.20

16126

VALVE,OIL FILTER

16126-1108

$41.98

16130

VALVE-ASSY-RELIEF

16130-1058

$41.98

92001

BOLT,FLANGED,6X45

92001-165

$5.24

92022

WASHER,20.5X30X1

92022-1012

$4.34

92043

PIN,SPRING,2X20

92043-111

$6.27

92043A

PIN

92043-1603

$2.97

92081

SPRING,OIL FILTER

92081-1018

$4.65

92081A

SPRING

92081-109

$11.29