Partiron

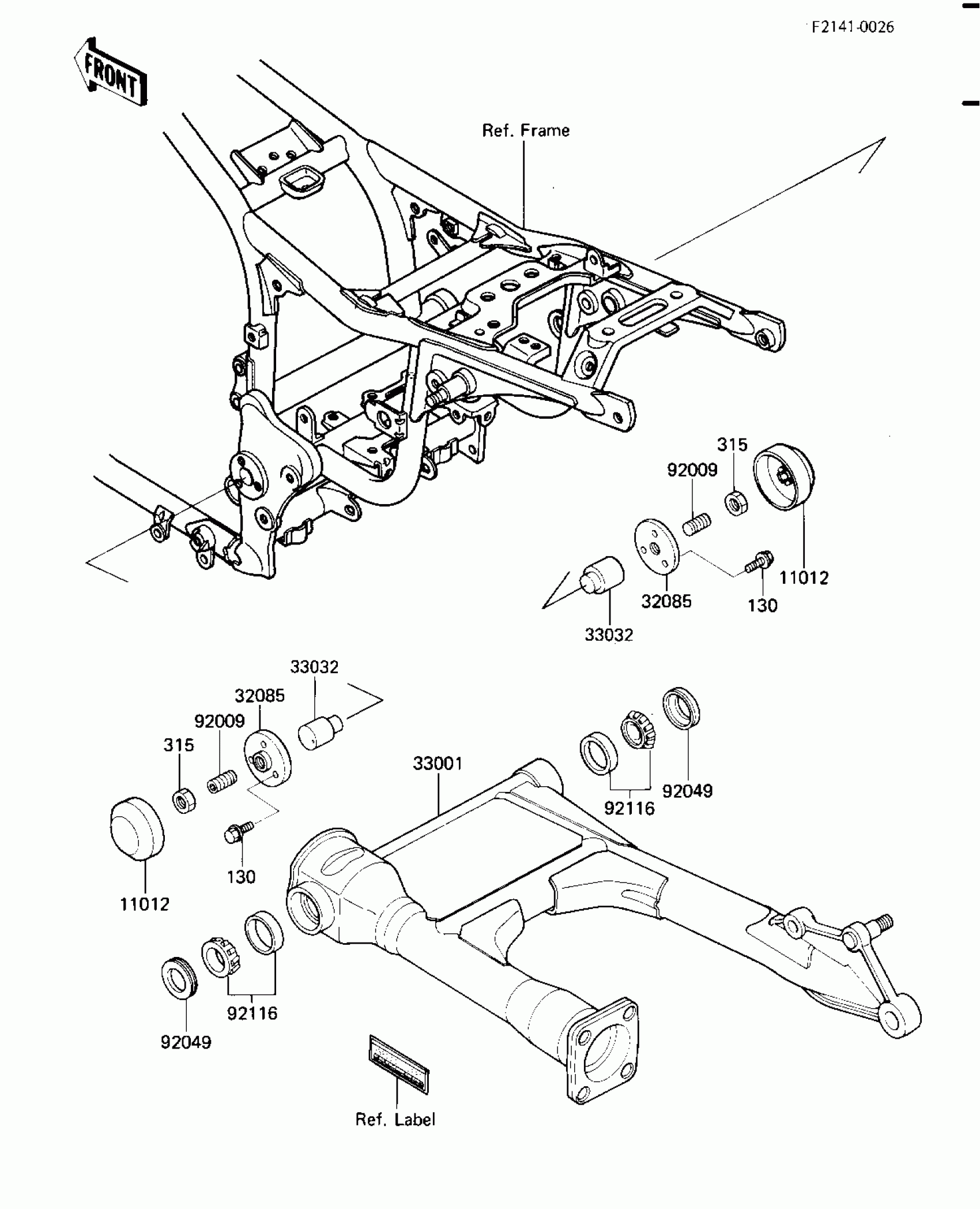
Kawasaki ZL1000 Eliminator SWING ARM Diagram

#

Description
Price

11012

CAP,SWING ARM

11012-1458

$17.52

32085

STOPPER

32085-1212

$36.66

33001

ARM-COMP-SWING

33001-1244

$445.83

33032

SHAFT-SWING ARM

33032-1119

$36.70

92009

SCREW,SOCKET,12X25

92009-1388

$5.09

92049

SEAL-OIL,26406

92049-1030

$9.73

92116

BEARING-ROLLER,4T30203E1

92116-1001

$38.04

130

BOLT-FLANGED,6X20

130P0620

$1.70

315

NUT-HEX-FINE

315B1200

$0.93