Partiron

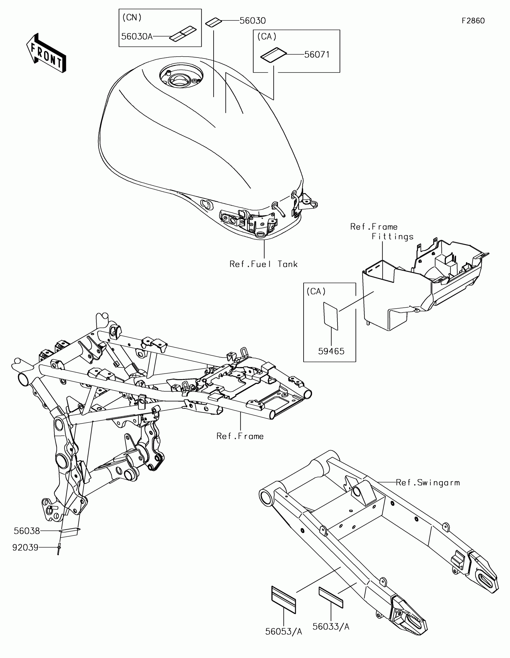
Kawasaki Z900RS Labels Diagram

#

Description
Price

56030A

LABEL,GASOLINE

56030-0358

Unavailable

56033

LABEL-MANUAL,CHAIN

56033-1427

$7.80

56033A

LABEL-MANUAL,CHAIN

56033-1428

Unavailable

56053

LABEL-SPECIFICATION,TIRE&LOAD

56053-1444

$19.58

56053A

LABEL-SPECIFICATION,TIRE&LOAD

56053-1445

Unavailable

56080

LABEL-BRAND,KAWASAKI

56080-1077

$7.58

92039

RIVET

92039-1251

$1.34