Partiron

Kawasaki Z900RS Fuel Injection Diagram

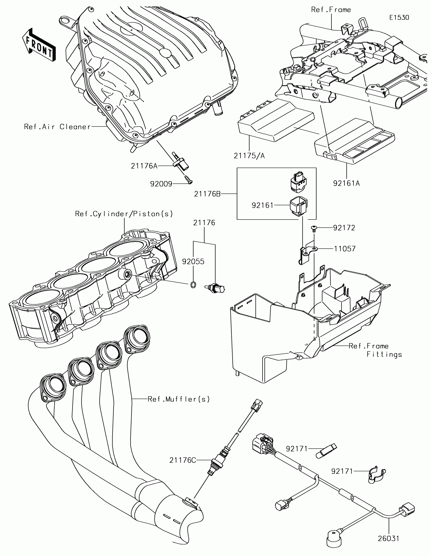
#

Description
Price

11057

BRACKET,VEHICLE DOWN SENSOR

11057-0896

$6.63

21175A

CONTROL UNIT-ELECTRONIC

21175-1317

$1,246.31

21176

SENSOR,WATER TEMP

21176-0009

$69.24

21176A

SENSOR,AIR TEMPERATURE

21176-0048

$26.91

21176B

SENSOR,VEHICLE-DOWN

21176-0704

$90.72

21176C

SENSOR,OXYGEN

21176-0851

$235.01

26031

HARNESS,SUB

26031-2282

$60.51

92009

SCREW,TAPPING,5X16

92009-1984

$2.58

92055

RING-O,9.5X1.9

92055-0016

$8.89

92161

DAMPER

92161-0951

$14.90

92161A

DAMPER,ECU

92161-1965

$29.61

92171

CLAMP,CABLE

92171-1283

$10.92

92172

SCREW,TAPPING,5X10

92172-0262

$1.34