Partiron

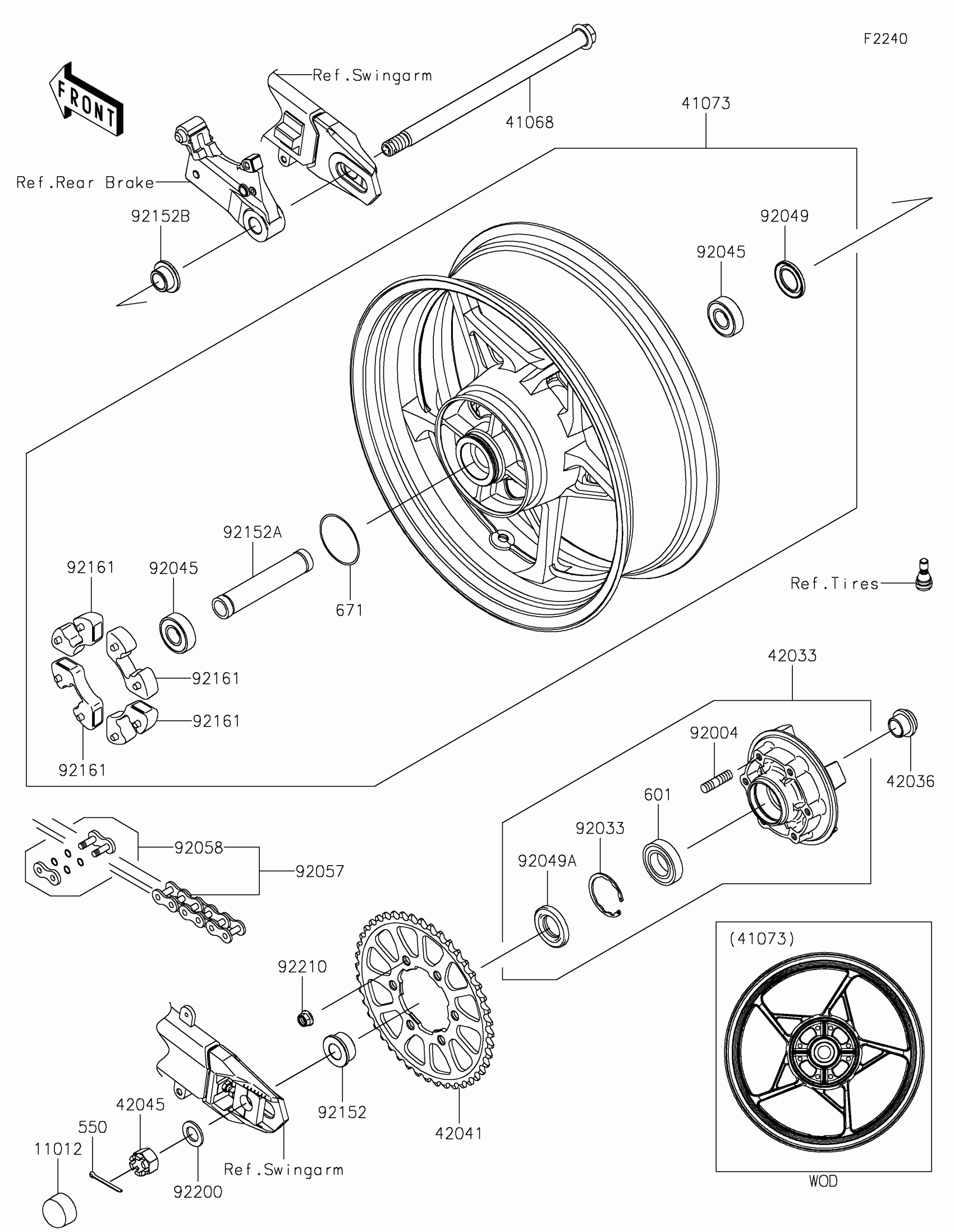
Kawasaki Z900 SE Rear Wheel/Chain Diagram

#

Description
Price

11012

CAP,AXLE NUT

11012-1590

$5.25

41068

AXLE,RR,18X327.2

41068-0619

$85.43

41073

WHEEL-ASSY,RR,G.BLACK

41073-0706-QT

$966.61

42033

COUPLING-ASSY,RR HUB

42033-0028

$237.91

42036

SLEEVE,RR HUB,L=23

42036-1251

$26.21

42041

SPROCKET-HUB,44T

42041-0158

$92.75

42045

NUT,CASTLE,18MM

42045-018

$9.23

92004

STUD,10X19

92004-0028

$8.92

92033

RING-SNAP,52MM

92033-1043

$8.05

92045

BEARING-BALL,20X47X14

92045-0821

$19.73

92049

SEAL-OIL,28 47 5

92049-0140

$8.44

92049A

SEAL-OIL

92049-1287

$13.08

92057

CHAIN,DRIVE,EK525RMX3/3D,114L

92057-0672

$267.80

92058

JOINT-CHAIN

92058-0041

$15.48

92152

COLLAR,RR AXLE,LH,L=18

92152-0118

$7.87

92152A

COLLAR,20.2X27.2X141.9

92152-2250

$29.31

92152B

COLLAR,RR AXLE,RH,L=16.4

92152-2698

$19.22

92161

DAMPER,SHOCK,RR HUB

92161-0342

$26.13

92200

WASHER,19X32X2.6

92200-1489

$1.83

92210

NUT,LOCK,FLANGED,10MM

92210-0276

$2.61

550

PIN-COTTER,4.0X40

550AA4040

$1.36

601

BEARING-BALL

601B6205UU

$29.62

671

O RING,60MM

671B2560

$6.91