Partiron

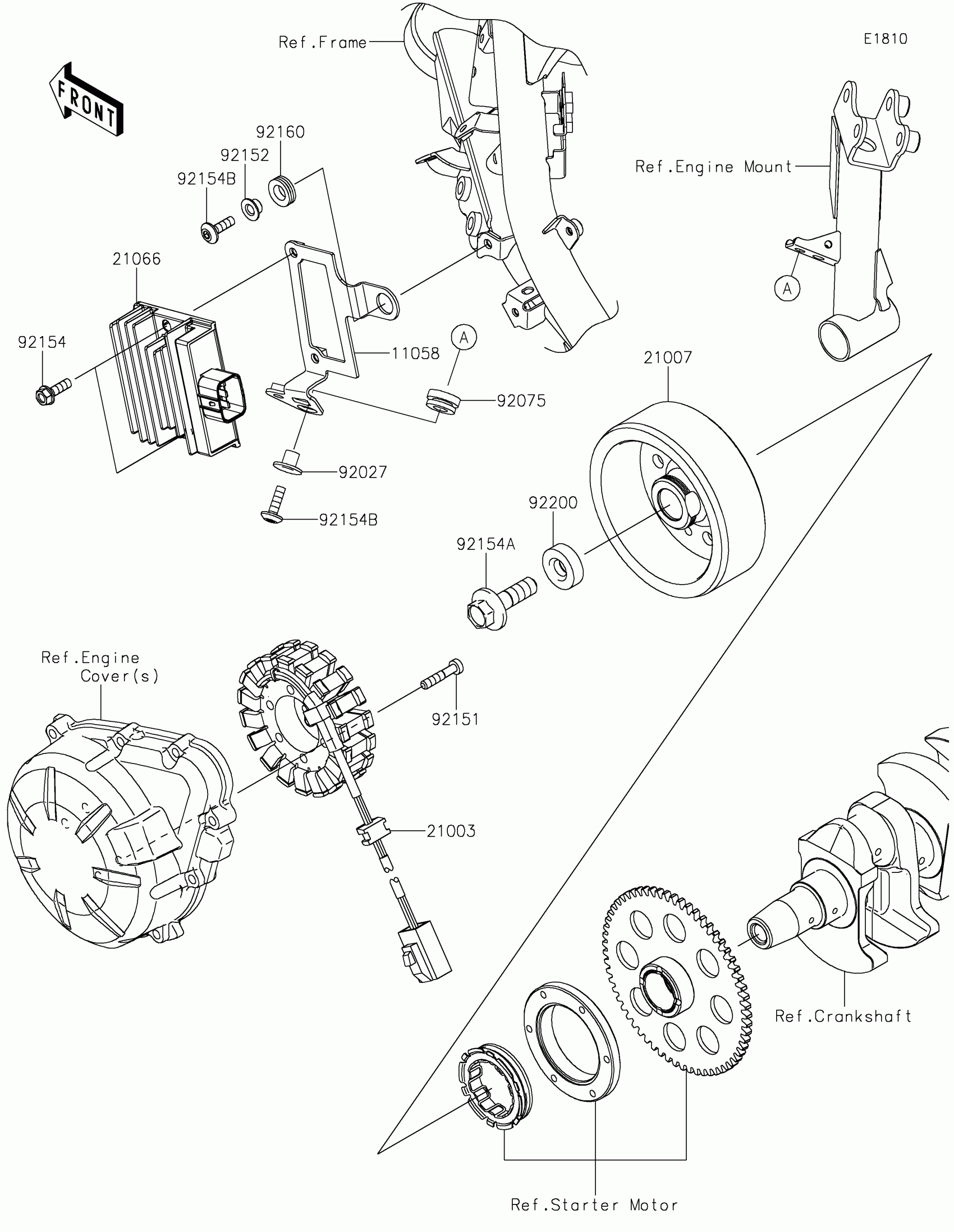
Kawasaki Z900 SE ABS Generator Diagram

#

Description
Price

11058

BRACKET

11058-1709

$11.77

21003

STATOR

21003-0203

$576.56

21007

ROTOR

21007-0691

$578.63

21066

REGULATOR-VOLTAGE

21066-0753

$209.78

92027

COLLAR,FLANGED,L=12.1,BLACK

92027-1651

$5.57

92075

DAMPER

92075-277

$2.84

92151

BOLT,6X30

92151-1626

$2.75

92152

COLLAR,6.5X16X7.3

92152-2336

$12.83

92154

BOLT,FLANGED,6X20

92154-0776

$2.32

92154A

BOLT,FLANGED,12X40

92154-2650

$12.58

92154B

BOLT,SOCKET,6X20

92154-4295

$6.26

92160

DAMPER

92160-1278

$4.39

92200

WASHER,12X34X9

92200-0369

$11.93