Partiron

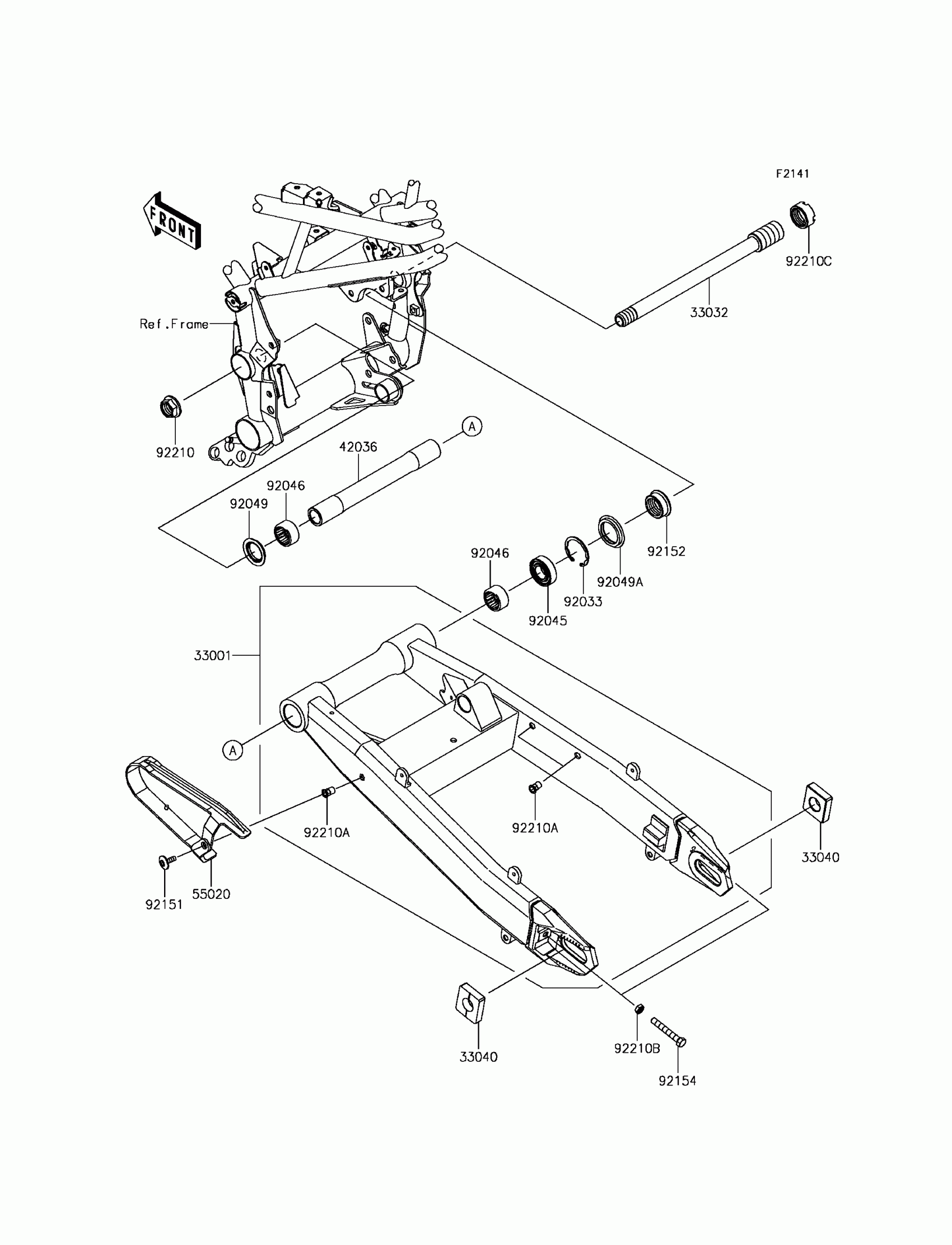
Kawasaki Z900 ABS Swingarm Diagram

#

Description
Price

33001

ARM-COMP-SWING,F.S.BLACK

33001-0666-18R

$995.72

33032

SHAFT-SWING ARM,20X269

33032-0055

$136.45

33040

ADJUSTER-CHAIN

33040-1109

$19.66

42036

SLEEVE,20.1X28X236.5

42036-0803

$74.29

55020

GUARD,CHAIN

55020-1961

$64.91

92033

RING-SNAP,42MM

92033-1041

$6.16

92045

BEARING-BALL,6004UL11

92045-0017

$14.39

92046

BEARING-NEEDLE,7E-HVS 28X34X17

92046-0008

$21.54

92049

SEAL-OIL

92049-0132

$9.39

92049A

SEAL-OIL,MHA 35 42 5.7F

92049-1380

$13.08

92151

BOLT,SOCKET,6X18

92151-1149

$7.68

92152

COLLAR,28X35X15

92152-2379

$37.12

92154

BOLT-SMALL,8X55

92154-1962

$5.69

92210

NUT,FLANGED,20MM

92210-0320

$11.93

92210A

NUT,POP,6MM,L=15

92210-1397

$5.48

92210B

NUT-HEX-SMALL,8MM

92210-1459

$3.94

92210C

NUT,28MM

92210-1575

$20.92