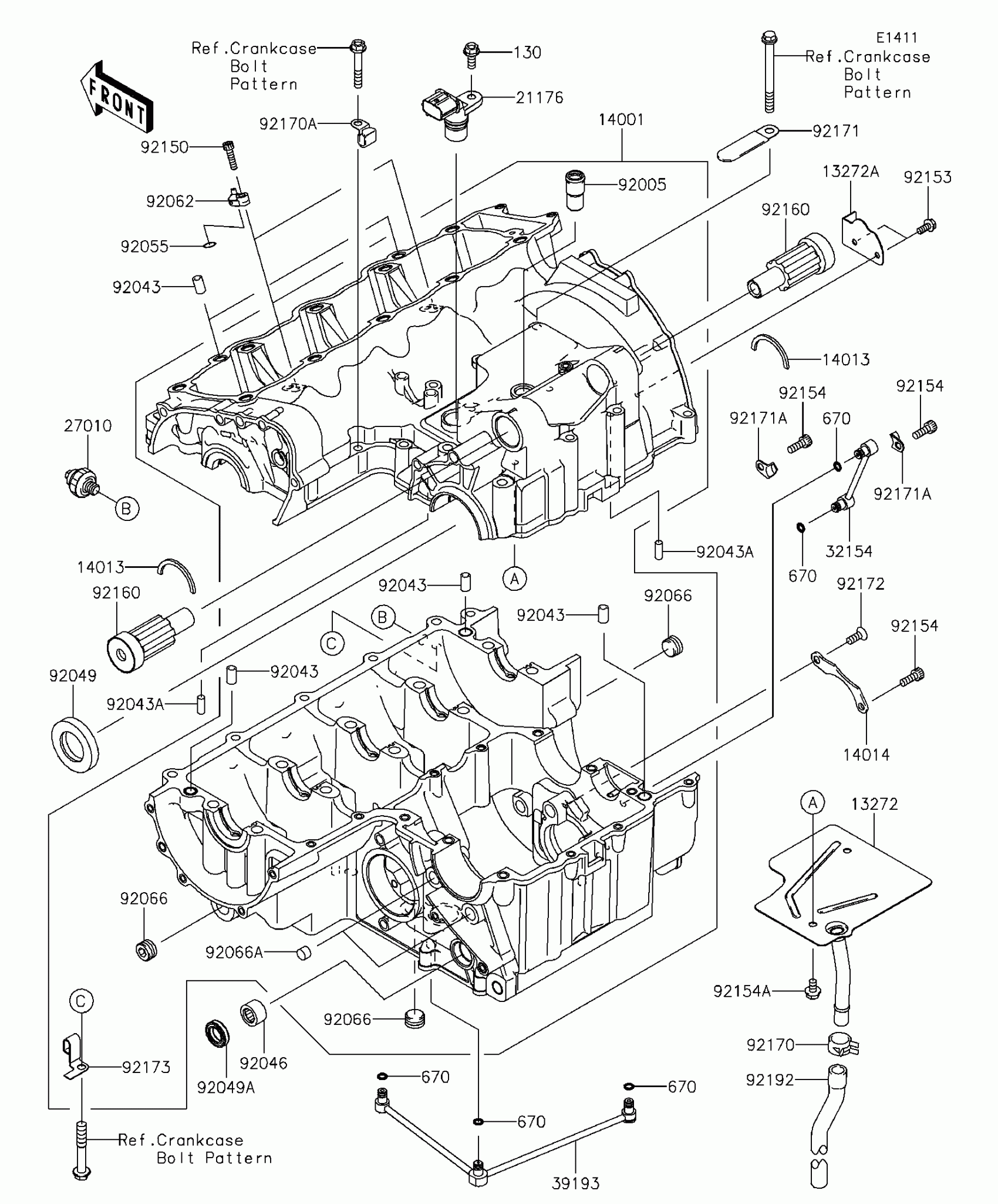
Partiron

Kawasaki Z800 ABS Crankcase Diagram

#

Description
Price

130

BOLT-FLANGED,6X16

130CC0616

$1.94

13272

PLATE,BREATHER UPPER

13272-1254

$75.94

13272A

PLATE,BREATHER SIDE

13272-1255

$2.05

14001

SET-CRANKCASE

14001-0616

$1,655.95

14013

RING-POSITION

14013-1051

$3.96

14014

PLATE-POSITION

14014-0563

$5.01

21176

SENSOR,SPEED

21176-0054

$74.54

27010

SWITCH,OIL PRESSURE

27010-1313

$40.13

32154

PIPE,RH

32154-1493

$30.17

39193

PIPE-OIL

39193-0014

$50.14

670

O RING

670D1505

$4.31

92005

FITTING,BREATHER

92005-0713

$12.20

92043

PIN,DOWEL,10X14

92043-1037

$0.74

92043A

PIN,6X16

92043-1690

$5.00

92046

BEARING-NEEDLE,HK1412FM

92046-0043

$17.22

92049

SEAL-OIL,TC32578

92049-1474

$18.44

92049A

SEAL-OIL,TC14245

92049-1520

$13.87

92055

RING-O,5.5X1.5

92055-1343

$0.64

92062

NOZZLE,OIL JET

92062-0022

$10.70

92066

PLUG,PT3/8X10

92066-0003

$3.31

92066A

PLUG

92066-1110

$6.51

92150

BOLT,SOCKET,5X20

92150-1019

$4.26

92153

BOLT,FLANGED,5X12

92153-0753

$3.01

92154

BOLT,SOCKET,6X16

92154-0235

$2.95

92154A

BOLT,FLANGED,6X10

92154-0356

$3.39

92160

DAMPER

92160-1868

$24.21

92170

CLAMP

92170-1118

$7.45

92170A

CLAMP

92170-1577

$3.83

92171

CLAMP

92171-0092

$2.83

92171A

CLAMP,OIL PIPE

92171-1595

$4.96

92172

SCREW,6X16

92172-0090

$2.80

92173

CLAMP

92173-1034

$6.03

92192

TUBE,BREATHER

92192-1104

$19.50