Partiron

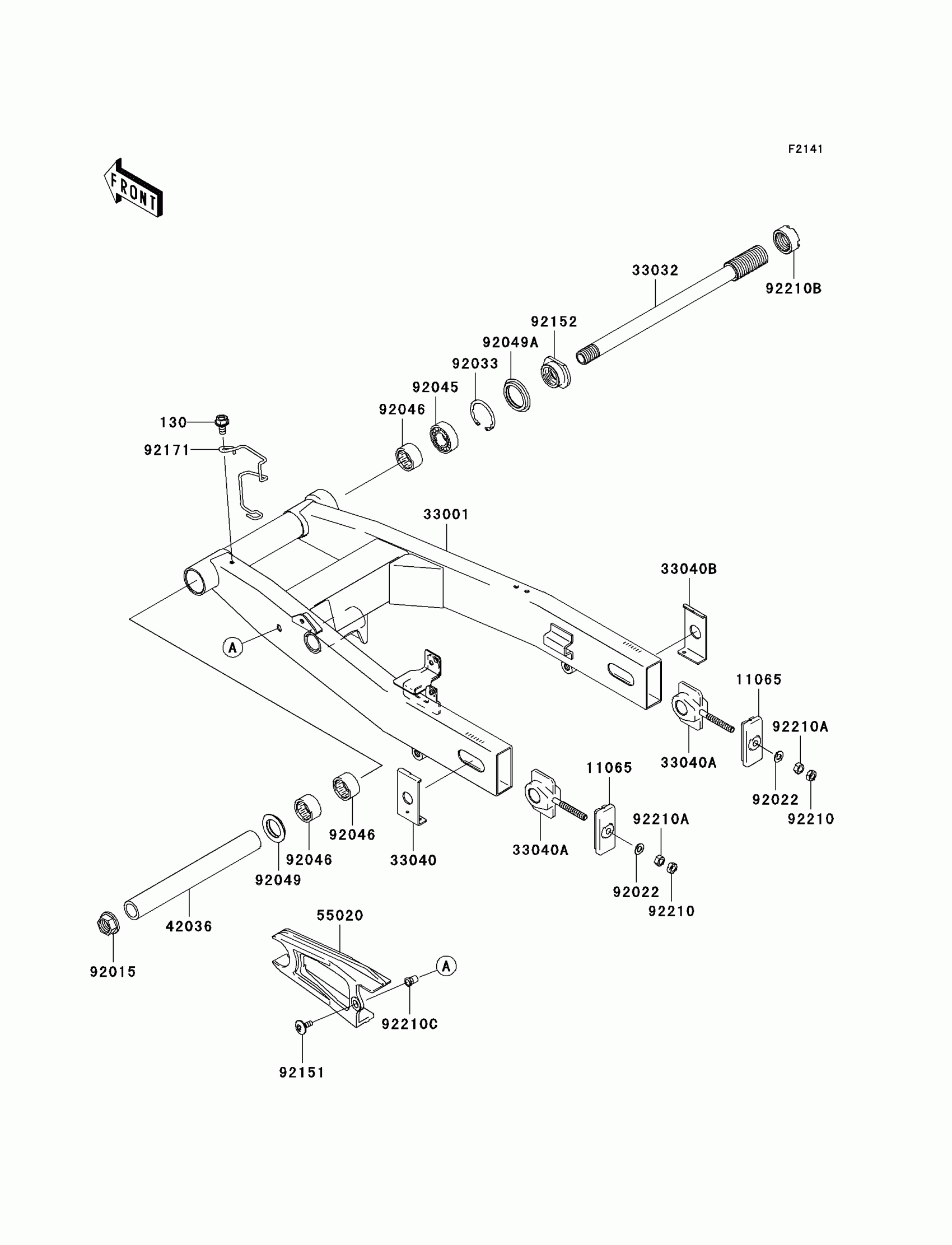
Kawasaki Z750S Swingarm Diagram

#

Description
Price

130

BOLT-FLANGED,6X12

130L0612

$2.19

11065

CAP,CHAIN ADJUSTER

11065-0055

$37.03

33001

ARM-COMP-SWING

33001-0051

$1,126.05

33032

SHAFT-SWING ARM

33032-0005

$131.48

33040

ADJUSTER-CHAIN,OUTER,LH

33040-0009

$17.47

33040A

ADJUSTER-CHAIN,INNER

33040-0012

$35.52

33040B

ADJUSTER-CHAIN,OUTER,RH

33040-1143

$8.49

42036

SLEEVE,SWING ARM,L=237

42036-1264

$66.54

55020

GUARD,CHAIN

55020-0061

$70.99

92015

NUT,FLANGED,20MM

92015-1724

$14.90

92022

WASHER,8.5X16X1.2

92022-1582

$0.96

92033

RING-SNAP,42MM

92033-1041

$6.16

92045

BEARING-BALL,6004UL11

92045-0017

$14.39

92046

BEARING-NEEDLE,7E-HVS 28X34X17

92046-0008

$21.54

92049

SEAL-OIL,28X34X5.7

92049-1181

$9.28

92049A

SEAL-OIL,MHA 35 42 5.7F

92049-1380

$13.08

92151

BOLT,SOCKET,6X18

92151-1149

$7.68

92152

COLLAR,SWING ARM PIVOT,RH

92152-0136

$37.99

92171

CLAMP

92171-0141

$8.50

92210

NUT,8MM

92210-0116

$2.26

92210A

NUT,8MM

92210-0117

$2.26

92210B

NUT,28X1.0

92210-1347

$21.63

92210C

NUT,POP,6MM,L=15

92210-1397

$5.48