Partiron

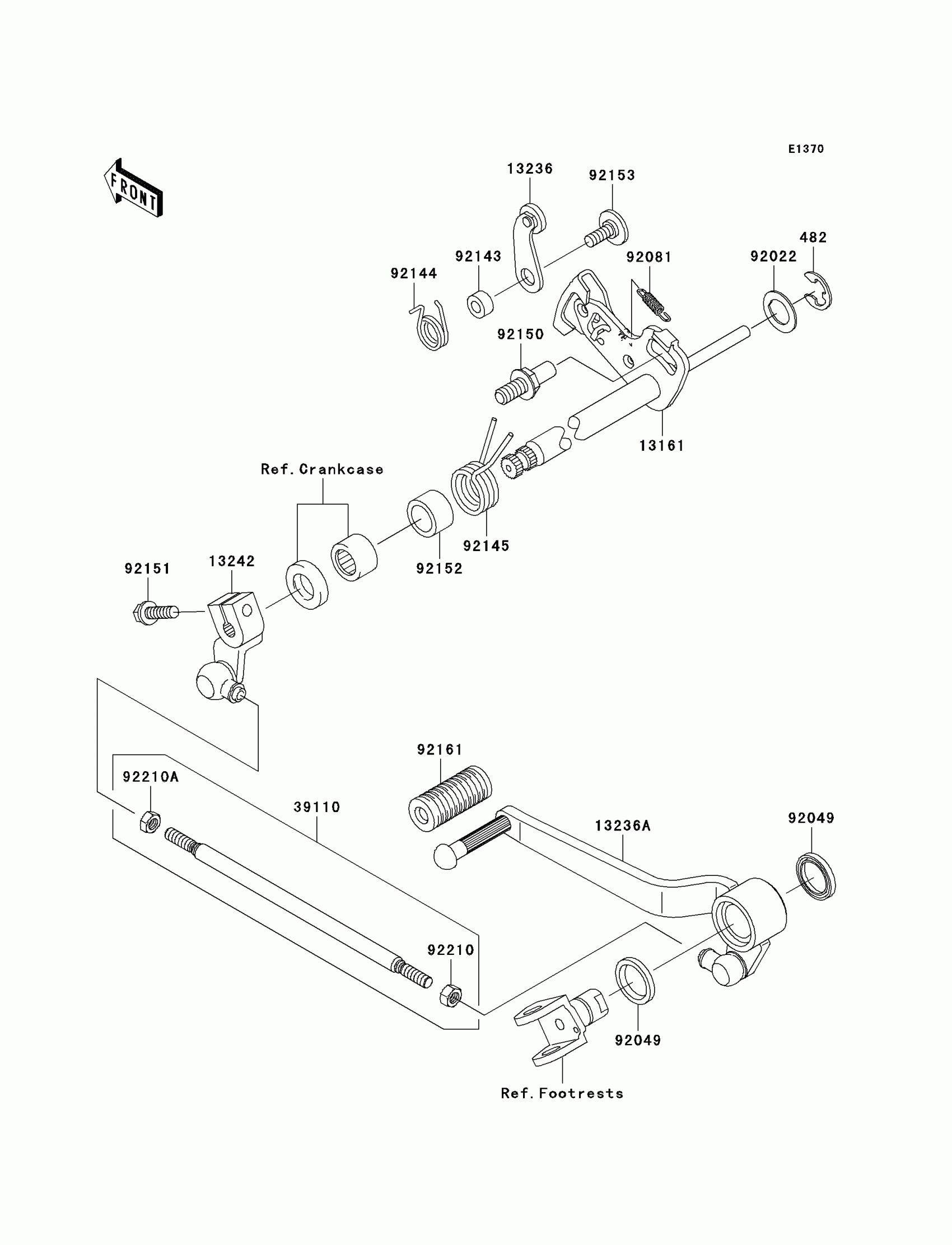
Kawasaki Z750S Gear Change Mechanism Diagram

#

Description
Price

482

CIRCLIP-TYPE-E,12MM

482J0200

$3.92

13161

LEVER-COMP-CHANGE SHAFT

13161-1292

$90.42

13236

LEVER-COMP

13236-1243

$19.66

13236A

LEVER-COMP,PEDAL

13236-1365

$72.15

13242

LEVER-ASSY-CHANGE

13242-1395

$52.38

39110

ROD-ASSY-TIE

39110-1131

$24.39

92022

WASHER,CHANGE SHAFT

92022-1628

$6.57

92049

SEAL-OIL

92049-1492

$9.27

92081

SPRING,PAWL RETURN

92081-1708

$6.51

92143

COLLAR

92143-1595

$9.51

92144

SPRING,GEAR POSITION

92144-1857

$8.79

92145

SPRING

92145-1122

$9.68

92150

BOLT,RETURN SPRING

92150-1869

$8.58

92151

BOLT,FLANGED,6X20

92151-1226

$2.46

92152

COLLAR,14.2X19.9X12.0

92152-1383

$4.18

92153

BOLT,6X20

92153-0896

$6.43

92161

DAMPER,CHANGE PEDAL

92161-1300

$6.18

92210

NUT,6MM

92210-1100

$2.34

92210A

NUT,LEFT HANDED,6MM

92210-1101

$1.86