Partiron

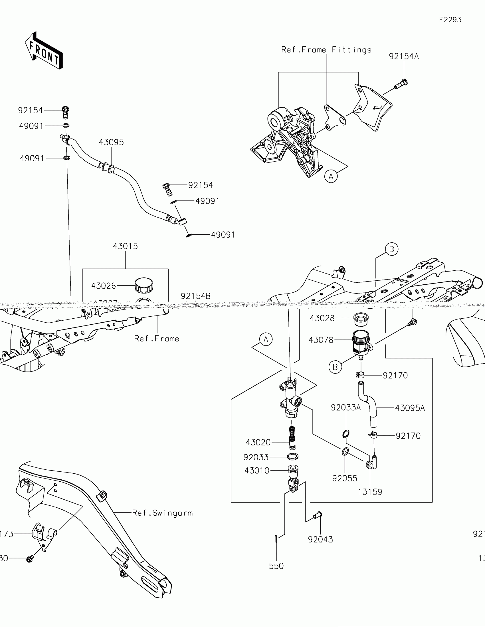
Kawasaki Z650 Rear Master Cylinder Diagram

#

Description
Price

130

BOLT-FLANGED,6X12

130BA0612

$1.72

13159

CONNECTOR

13159-1056

$14.10

43010

ROD-ASSY-BRAKE

43010-1062

$51.24

43015

CYLINDER-ASSY-MASTER

43015-0646

$262.40

43020

PISTON-COMP-BRAKE

43020-1094

$65.22

43026

CAP-BRAKE

43026-0009

$37.51

43027

PLATE-DIAPHRAGM

43027-1053

$5.67

43028

DIAPHRAGM

43028-1065

$19.09

43078

RESERVOIR

43078-0060

$32.45

43095

HOSE-BRAKE,RR,436MM

43095-0965

$74.64

43095A

HOSE-BRAKE,RR M/CYL.

43095-0969

$18.48

49091

WASHER-SEAL,10.1X14.5X1.5

49091-0001

$2.15

550

PIN-COTTER,2.0X15

550AA2015

$1.12

92033

RING-SNAP,20.9X24.6X1.2

92033-0079

$7.78

92033A

RING-SNAP,20.5MM

92033-1186

$4.96

92043

PIN

92043-0182

$3.29

92055

RING-O,14.8X2.4

92055-0741

$3.71

92154

BOLT,OIL,L=23

92154-0226

$5.91

92154A

BOLT,SOCKET,8X30

92154-0843

$4.72

92154B

BOLT

92154-0929

$3.71

92170

CLAMP,HOSE

92170-1091

$5.00

92173

CLAMP,SWING ARM

92173-1665

$6.45