Partiron

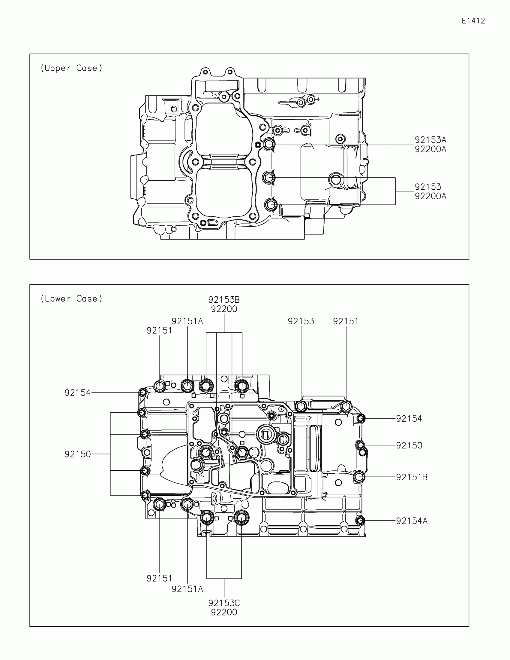
Kawasaki Z650 Crankcase Bolt Pattern Diagram

#

Description
Price

92150

BOLT,6X38

92150-1301

$4.31

92151

BOLT,8X60

92151-1461

$5.33

92151A

BOLT,8X73

92151-1462

$5.61

92151B

BOLT,8X50

92151-1463

$5.33

92153

BOLT,FLANGED,8X110

92153-0959

$8.68

92153A

BOLT,FLANGED,8X120

92153-0960

$8.68

92153B

BOLT,FLANGED,9X113

92153-1449

$8.68

92153C

BOLT,FLANGED,9X83

92153-1450

$7.68

92154

BOLT,FLANGED,6X45

92154-0966

$3.35

92154A

BOLT,FLANGED,6X32

92154-0967

$3.02

92200

WASHER,9.2X19X2.3

92200-0115

$3.73

92200A

WASHER,8.5X16X1.2

92200-1063

$3.92