- Partiron
- OEM Parts
- Honda
- MOTORCYCLE
- Models With No Year
- Z50AK3A MOTORCYCLE, JPN, VIN# Z50A-1000001
IGNITION COIL + WIRE HARNESS
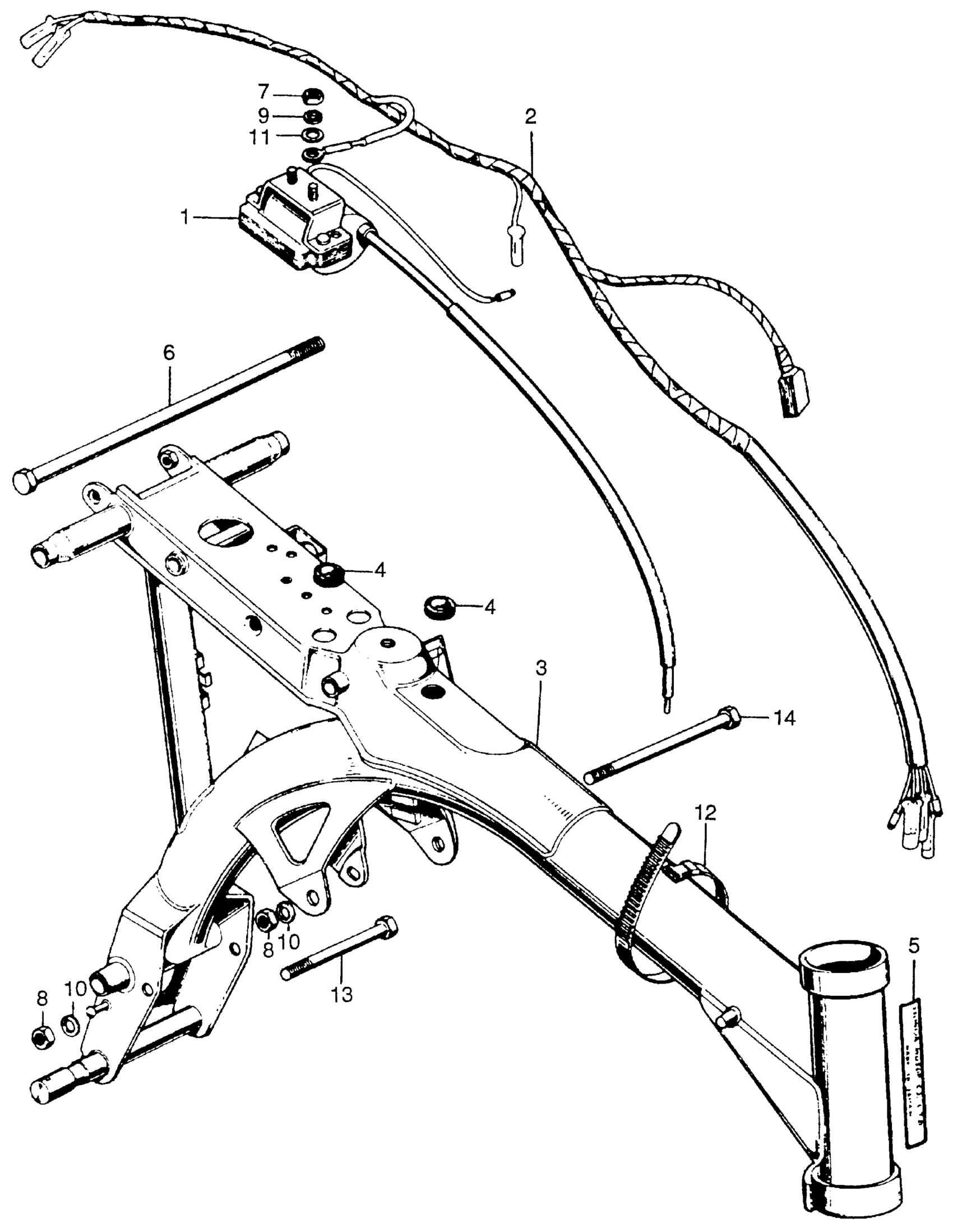
Honda Z50AK3A MOTORCYCLE, JPN, VIN# Z50A-1000001 IGNITION COIL + WIRE HARNESS Diagram
#
Description
Price
1
COIL ASSY., IGNITION
30500-120-005
Unavailable
2
WIRE HARNESS (NOT AVAILABLE)
32100-120-670
Unavailable
3
FRAME *NH1* (BLACK) This part replaces 50100-120-000B.
50100-130-000B
Unavailable
3
FRAME *NH1* (BLACK)
50100-130-000B
Unavailable
6
BOLT, HEX. (10X239) (SOURCE: VINTAGE PARTS INC.) This part replaces 92000-10239-0B.
92101-10239-0B
Unavailable
6
BOLT, HEX. (10X239) (SOURCE: VINTAGE PARTS INC.)
92101-10239-0B
Unavailable
13
BOLT, HEX. (8X98) (NOT AVAILABLE) This part replaces 95300-08098.
95300-08098-00
Unavailable
13
BOLT, HEX. (8X98)
95300-08098-00
Unavailable
